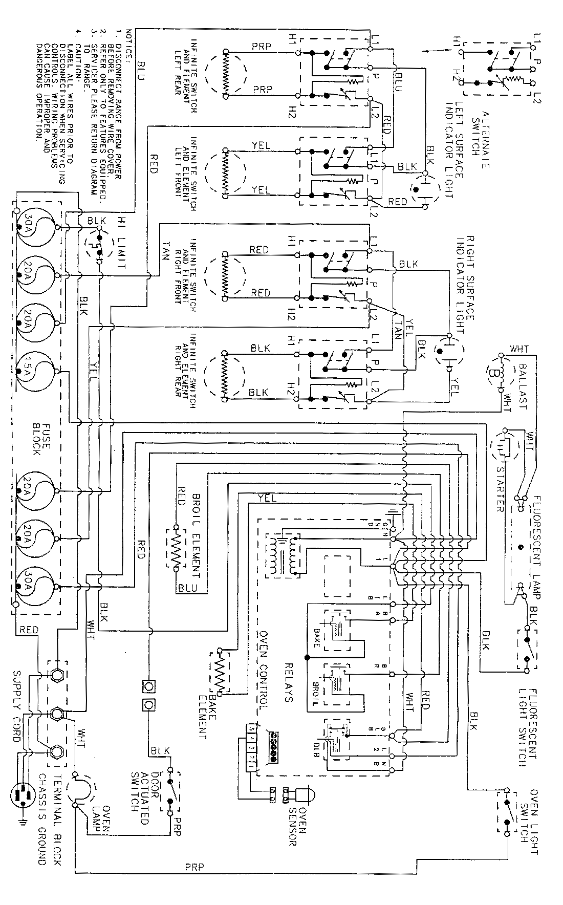
CRE7700CDM 06 – WIRING INFORMATIONadmin2025-04-26T08:56:31+00:00CRE7700CDM 06 – WIRING INFORMATION ProductsPositionProductNIMAY 15001705