| NI | MAY 7112P073-60 |
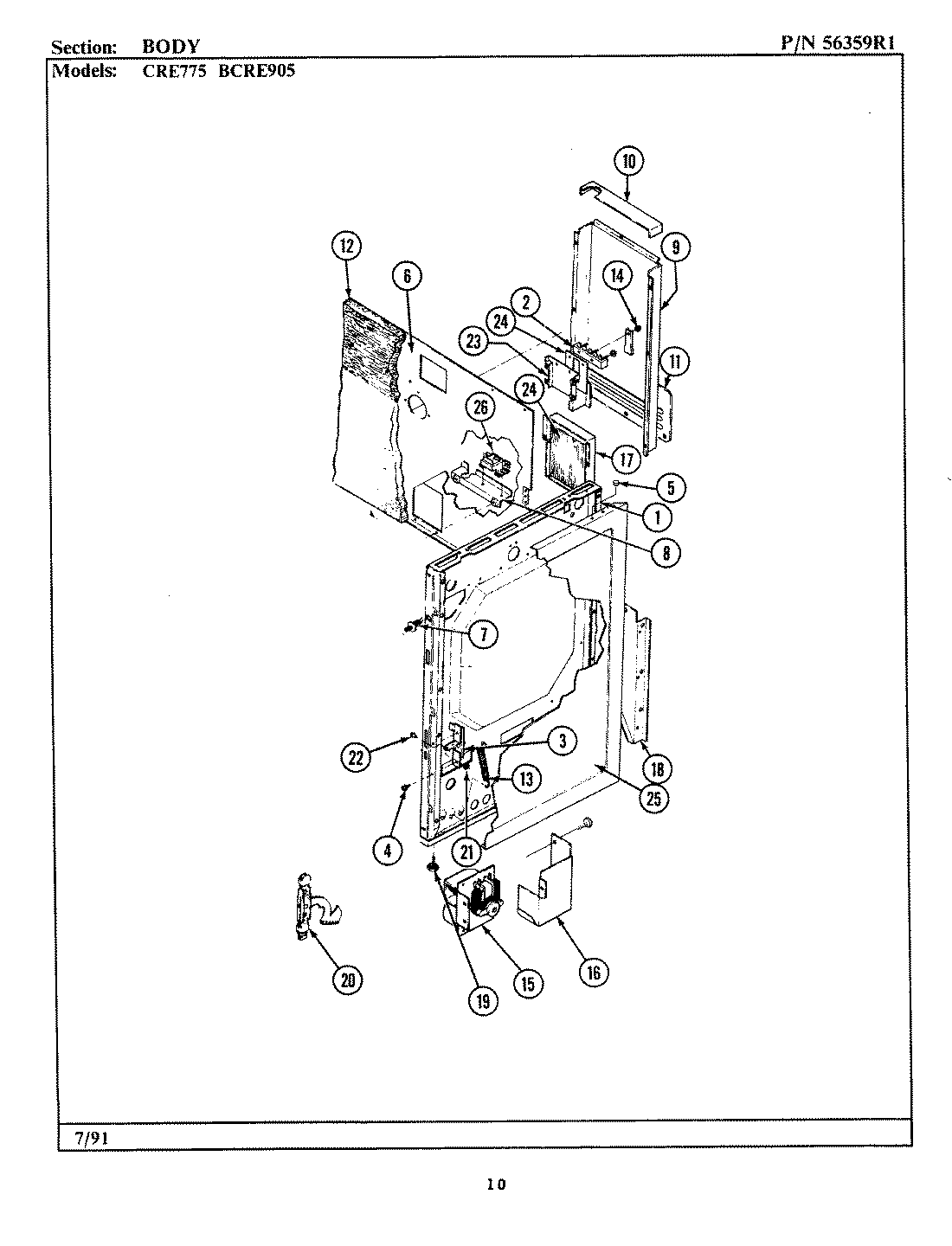
| 1 | SCREW, HINGE |
| 1 | MAY 7103P045-60 |
| 1 | MAY 4009W029-80 |
| 2 | MAY 7401P002-60 |
| 3 | MAY 8016P008-60 |
| 3 | MAY 3418A030-34 |
| 3 | MAY 3418A029-34 |
| 4 | WP4159193 Whirlpool Screw |
| 5 | MAY 8010P048-60 |
| 5 | MAY 8003P011-60 |
| 6 | MAY 4002F160-80 |
| 6 | MAY 7101P061-60 |
| 7 | MAY 7403P105-60 |
| 8 | MAY 3605F156-51 |
| 8 | PLATE, CONDUIT REINFORCEMENT |
| 9 | MAY 4001F051-51 |
| 10 | MAY 4005F182-80 |
| 11 | MAY 4005F362-51 |
| 12 | MAY 4804F020-60 |
| 13 | WP7803P058-60 Whirlpool Spring |
| 14 | WP7103P027-60 Whirlpool Nut |
| 18 | MAY 3802F008-80 |
| 18 | MAY 3802F010-80 |
| 19 | MAY Y7101P25460 |
| 20 | MAY 3420A033-34 |
| 21 | MAY 7112P019-60 |
| 23 | MAY 3807F157-80 |
| 24 | MAY 7003P018-60 |
| 25 | MAY 2618F073-74 |
| 25 | MAY 2618F052-71 |
| 25 | MAY 2618F073-71 |
| 25 | MAY 2618F052-74 |
| 26 | MAY 7412P005-60 |