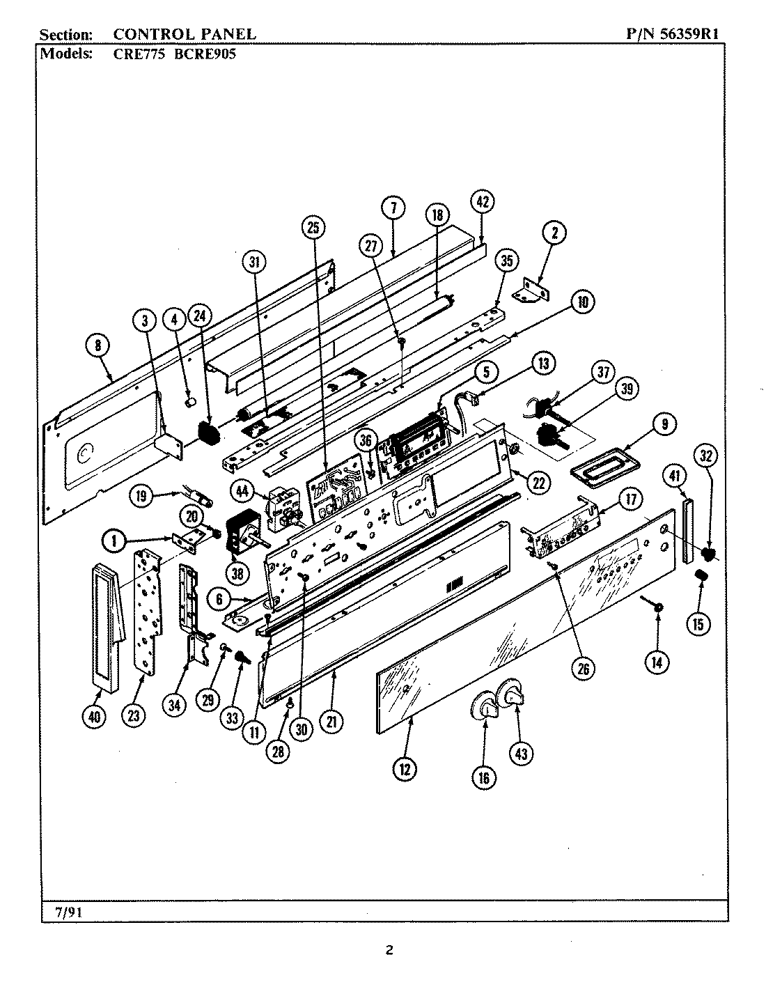
CRE775 02 – CONTROL PANELadmin2025-04-26T08:56:43+00:00CRE775 02 – CONTROL PANEL ProductsPositionProduct1MAY 3801F002-342MAY 7109P010-602MAY 3801F109-343MAY 3801F006-514MAY 8007P013-605MAY 7601P162-605MAY 7601P100-605MAY 7601P154-606MAY 4005F034-807MAY 7724P010-608MAY 7101P061-608MAY 4005S305-8010MAY 7706P194-6011MAY 7706P019-6012MAY 7910P050-6013MAY 5170P100-6013MAY 5170P087-6013MAY 5170P007-6014MAY 7711P171-6014MAY 7711P452-6015MAY 7711P431-6015MAY 7711P172-6016W10856104 Whirlpool Knob17MAY 7730P005-6018MAY 7407P004-6019MAY 7407P060-6020WP4159193 Whirlpool Screw21MAY 2620F043-8421MAY 2620F043-8122MAY 3605F171-8022MAY 3605F152-8023MAY 3605F008-8023MAY 3605F006-8024MAY 7408P005-6025MAY 5170P006-6025MAY 7428P005-6026WP59002061 Whirlpool Microwave Screw27MAY 7101P058-6028MAY 7101P074-6029SCREW30MAY 7101P280-6031MAY 3604F079-8032MAY 7214P007-6033SPACER, HINGE (MAIN TOP)34MAY 3807W224-8034MAY 3807W225-8035MAY 3807F215-8036MAY 8004P020-6037MAY 5700A284-6038MAY 7403P267-6038W11122008 Whirlpool Surface Element Switch38MAY 7403P266-6039MAY 7401P020-6039MAY 7401P015-6039MAY 7403P104-6040MAY 7726P029-6040MAY 7726P030-6041MAY 7720P061-6042MAY 7728P023-60