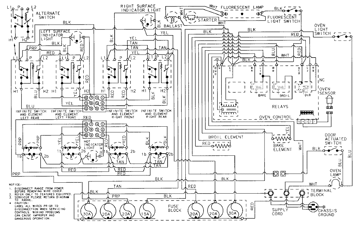
CRE7900ADM 06 – WIRING INFORMATION

CRE7900ADM 06 – WIRING INFORMATION

Products

PositionProduct
NIMAY 15001714