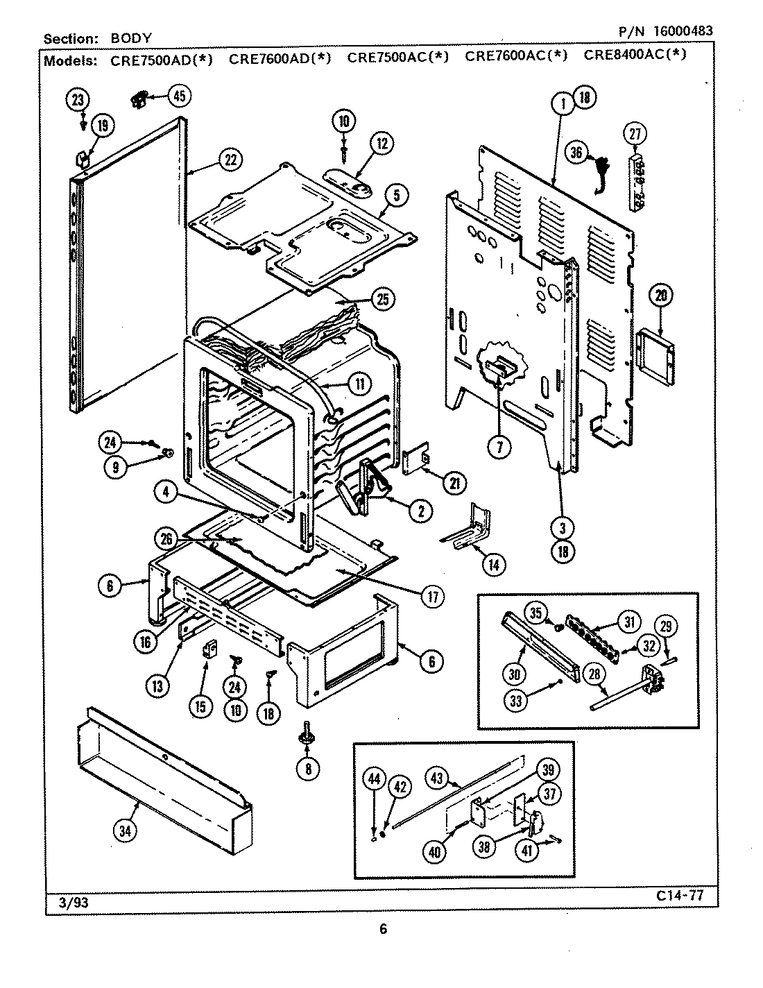
CRE8400ACL 01 – BODY