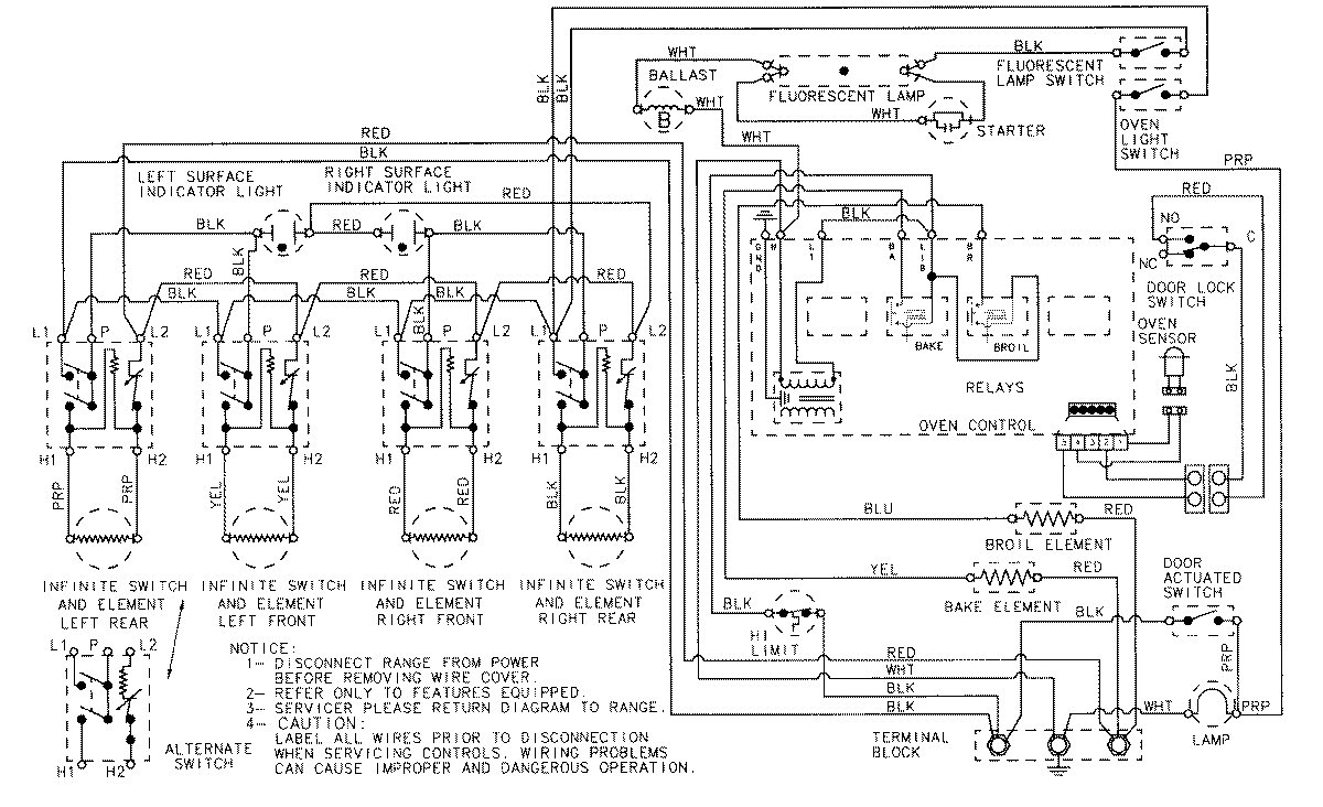
CRE8600CCE 06 – WIRING INFORMATIONadmin2025-04-26T08:56:31+00:00CRE8600CCE 06 – WIRING INFORMATION ProductsPositionProductNIMAY 15001411