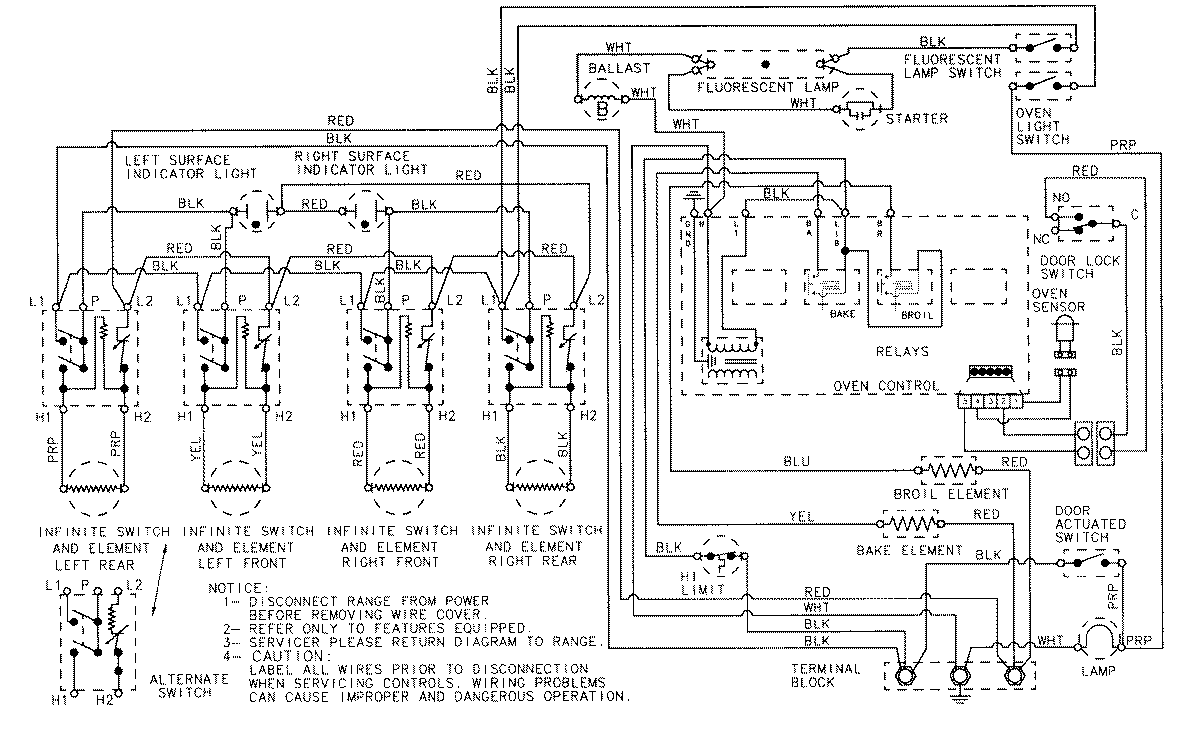
CRE8600CCL 06 – WIRING INFORMATIONadmin2025-04-26T08:56:36+00:00CRE8600CCL 06 – WIRING INFORMATION ProductsPositionProductNIMAY 15001411