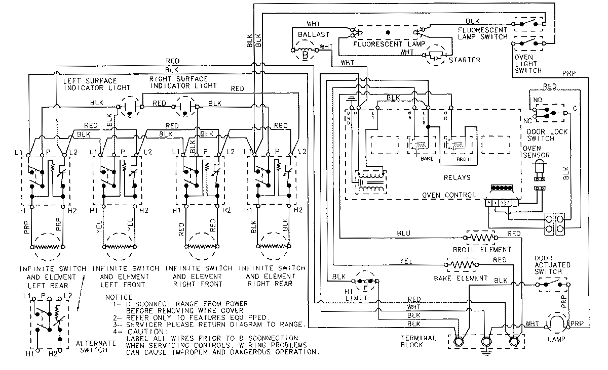
CRE8600CCW 06 – WIRING INFORMATIONadmin2025-04-26T08:56:38+00:00CRE8600CCW 06 – WIRING INFORMATION ProductsPositionProductNIMAY 15001411