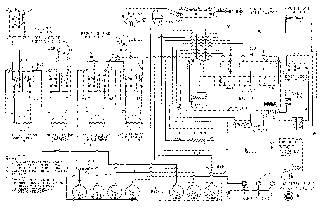
CRE8700DDM 06 – WIRING INFORMATIONadmin2025-04-26T08:56:35+00:00CRE8700DDM 06 – WIRING INFORMATION ProductsPositionProductNIMAY 15001704