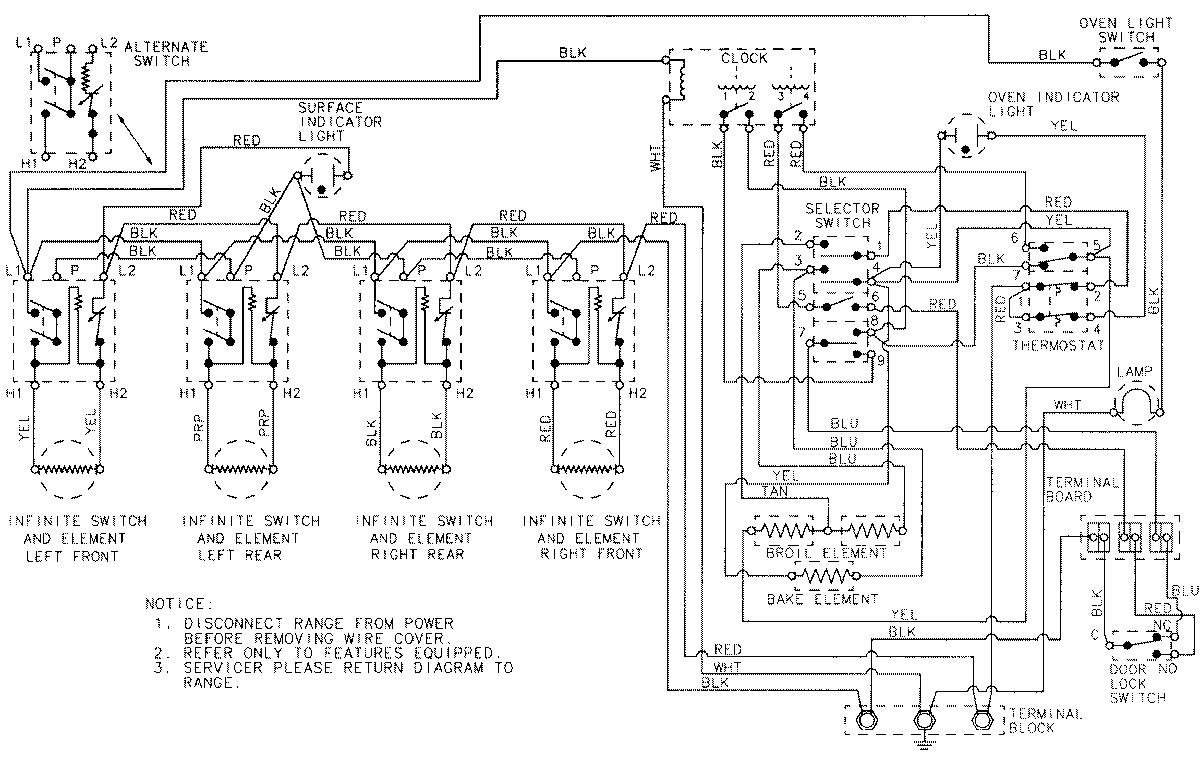
CRE9300CCW 06 – WIRING INFORMATIONadmin2025-04-26T08:56:38+00:00CRE9300CCW 06 – WIRING INFORMATION ProductsPositionProductNIMAY 15001147