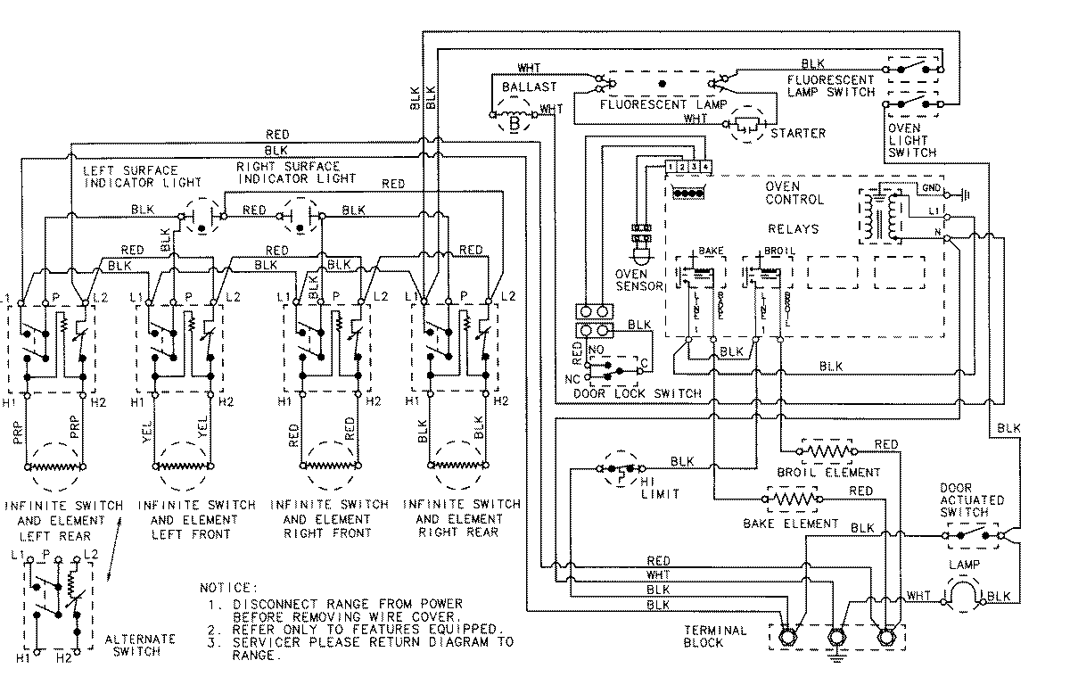
CRE9400ACL 06 – WIRING INFORMATIONadmin2025-04-26T08:56:28+00:00CRE9400ACL 06 – WIRING INFORMATION ProductsPositionProductNIMAY 15001160