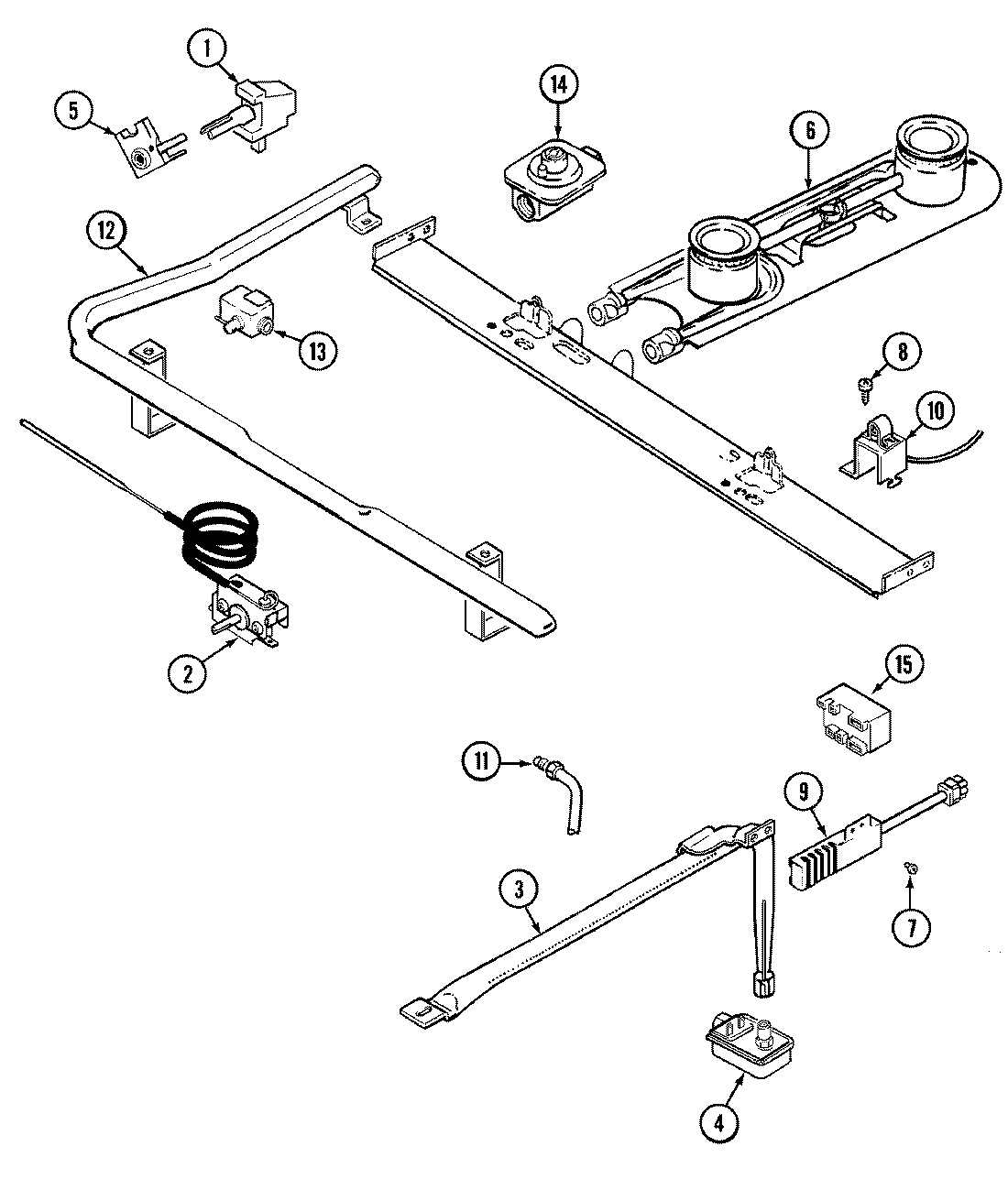
CRGA300AAW 03 – GAS CONTROLS