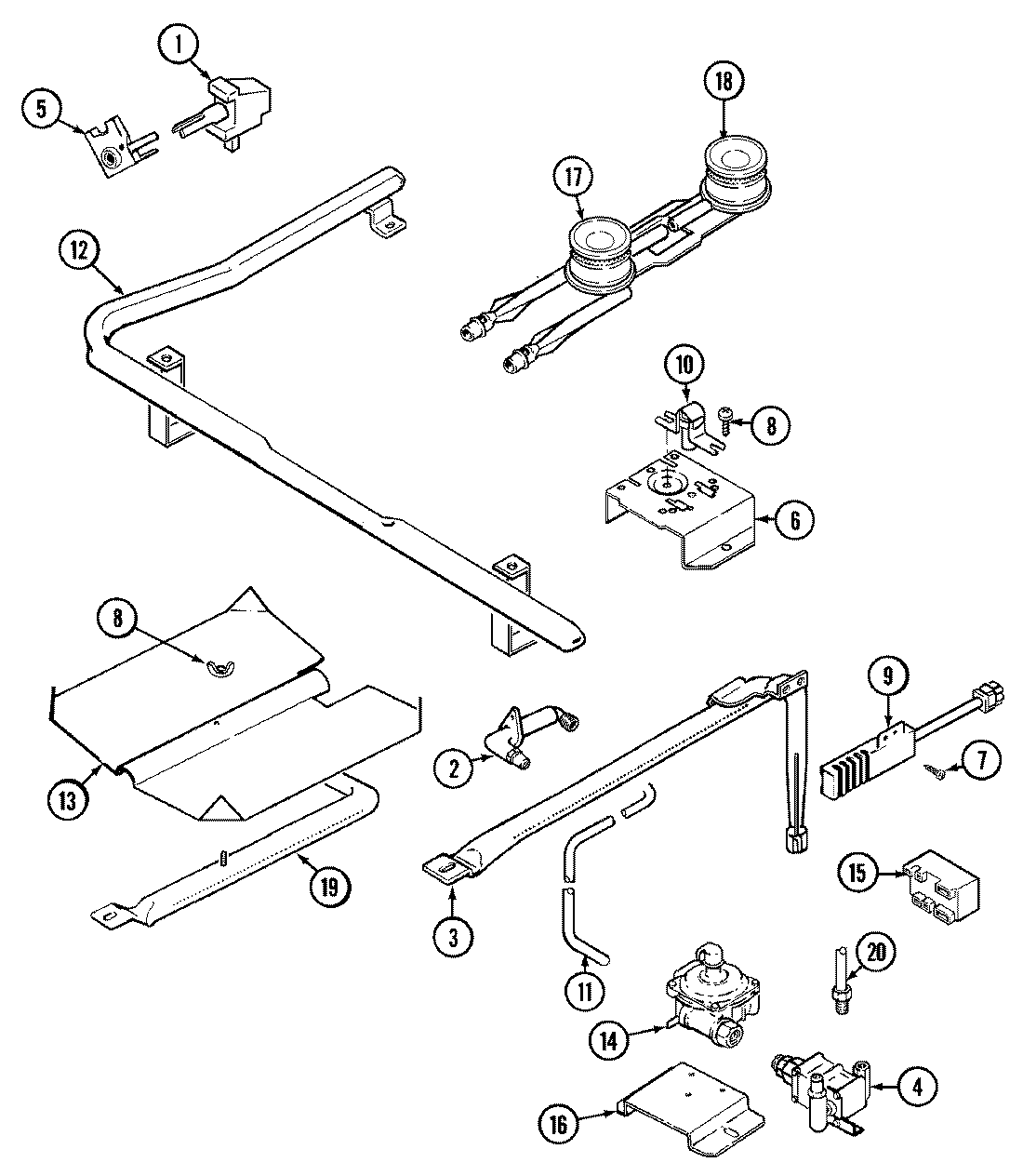
CRGA600AAL 03 – CONTROL SYSTEMadmin2025-04-26T11:33:34+00:00CRGA600AAL 03 – CONTROL SYSTEM ProductsPositionProductNIMAY 5125A312-60NIMAY 5195D111-601MAY 7101P044-601MAY 7502P174-602MAY 3605F186-452MAY 7507P088-603MAY 3403D043-453MAY 3807F446-454WP74006427 Whirlpool Oven Valve5MAY 7403P284-606MAY 3807F426-457SCREW (10-24X5/16-NI)8NUT, WING9MAY 7432P076-609MAY 4005F421-4510MAY 7432P008-6010MAY 7432P031-6011MAY 3414F103-4412MAY 7103P130-6012MAY 7513P105-6013MAY 3601F217-4514MAY 7101P290-6014MAY 7510P050-6015MAY 7431P006-6016MAY 8020P007-6017MAY 7505P192-6018MAY 7505P203-6019MAY 3403D024-4520MAY 3414F102-44