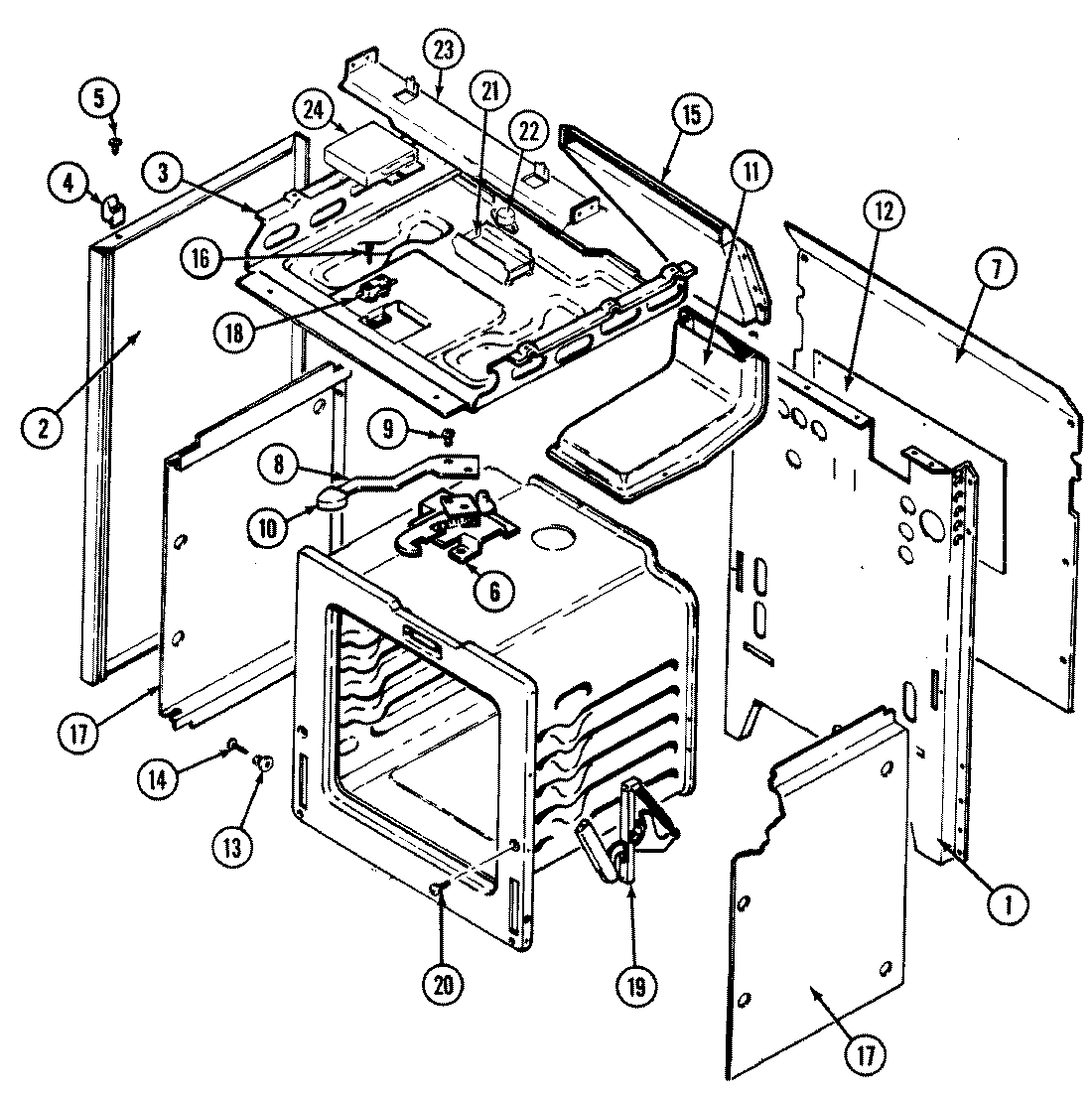
CRGA600AAW 01 – BODYadmin2025-04-26T11:36:15+00:00CRGA600AAW 01 – BODY ProductsPositionProduct1MAY 8008P021-601MAY 4002F199-802MAY 2618F110-713MAY 4011F231-803MAY 4011F250-804SPACER, MAIN TOP (RT)4SPACER, MAIN TOP (LT)5MAY 7101P313-606MAY 4804F028-606MAY 8002P027-607MAY 4005F331-518MAY 8009P028-608MAY 8009P023-609SCREW, LEVER10MAY 7112P003-6010MAY 7701P132-6011MAY 4006W113-4512MAY 3604F165-5113MAY 8004P024-6014SCREW15MAY 4022W007-1916MAY 7101P330-6016MAY 7101P130-6017MAY 3804F103-5118MAY 3801F267-4518MAY 7403P363-6018MAY 7403P361-6019MAY 7106P055-6020WP4159193 Whirlpool Screw21MAY 3807F420-5122MAY 7403P275-6023MAY 3807F411-5124MAY 4005F430-51