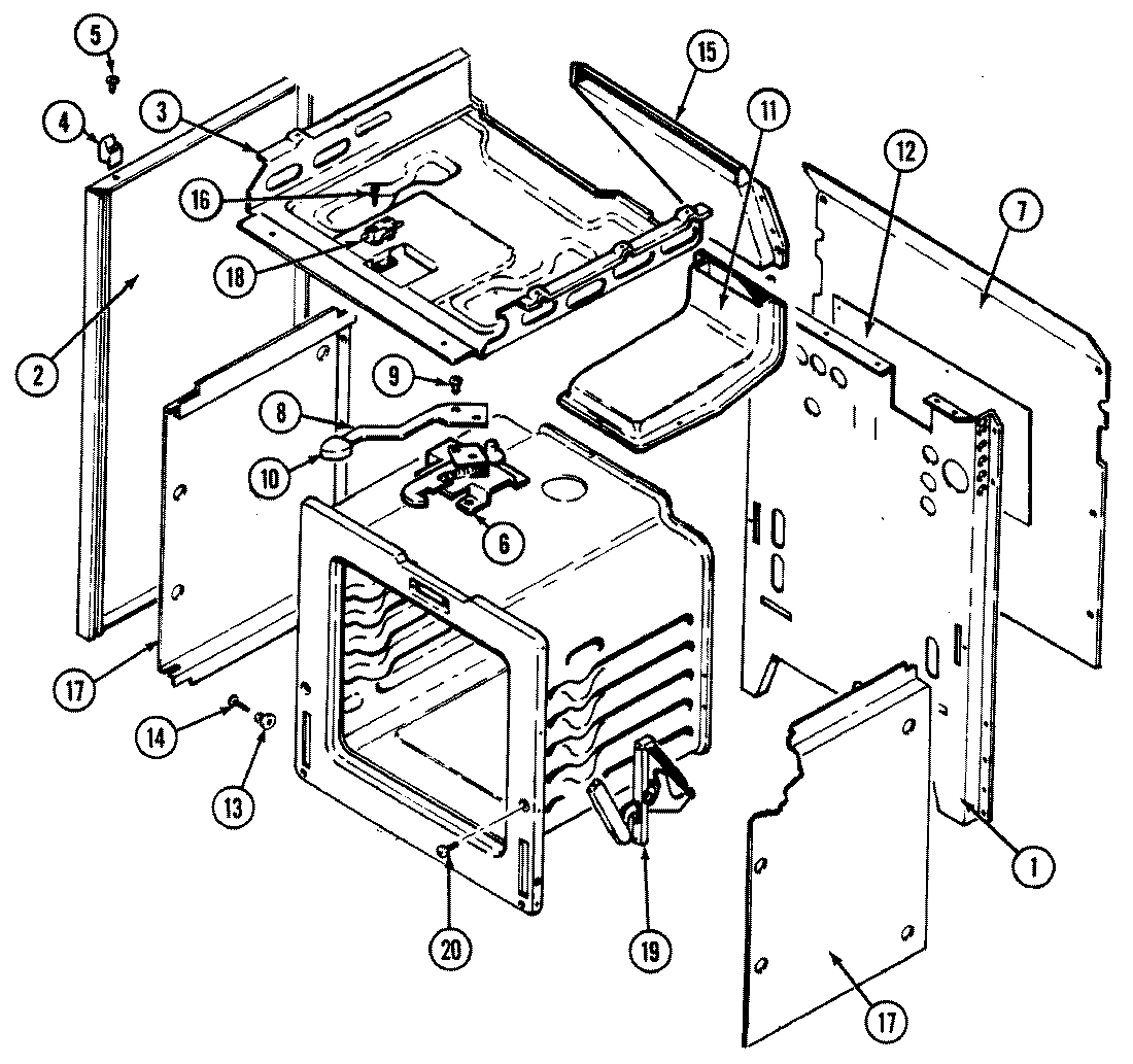
CRGA700AAW 01 – BODYadmin2025-04-26T11:36:20+00:00CRGA700AAW 01 – BODY ProductsPositionProduct1MAY 8008P021-601MAY 4002F199-802MAY 2618F110-713MAY 4011F250-803MAY 4011F231-804SPACER, MAIN TOP (LT)4SPACER, MAIN TOP (RT)5MAY 7101P313-606MAY 4804F028-606MAY 8002P027-607MAY 4005F331-518MAY 8009P029-608MAY 8009P023-609SCREW, LEVER10MAY 7701P132-6010MAY 7112P003-6011MAY 4006W113-4512MAY 3604F165-5113MAY 8004P024-6014SCREW15MAY 4022W007-1916MAY 7101P130-6016MAY 7101P330-6017MAY 3804F103-5118MAY 7403P361-6018MAY 7403P228-6018MAY 3801F267-4519MAY 7106P056-6020WP4159193 Whirlpool Screw