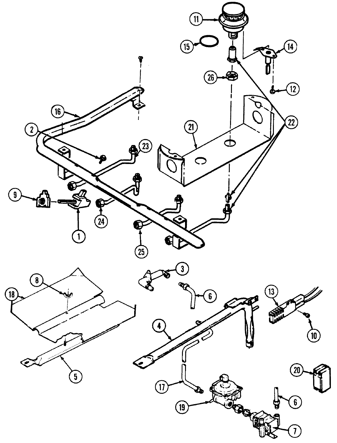
CRGA700AAW 03 – CONTROL SYSTEMadmin2025-04-26T11:34:42+00:00CRGA700AAW 03 – CONTROL SYSTEM ProductsPositionProductNIMAY 5140D035-60NIMAY 5125A312-601MAY 7502P250-602MAY 7101P044-603MAY 3605F186-453MAY 7507P088-604MAY 3403D043-454MAY 3807F446-455MAY 3403D024-456MAY 3414F102-447WP74006427 Whirlpool Oven Valve8NUT, WING9WP7403P279-60 Whirlpool Igniter Switch10WP3351614 Whirlpool Screw11MAY 3412D018-0912MAY 7101P315-6013MAY 4005F421-4513MAY 7432P076-6014NOT REQUIRED PART OR SEE NOTE FUSE (NOT REQUIRED)15MAY 7201P050-6016MAY 7513P120-6017MAY 7103P130-6017MAY 3414F103-4418MAY 3601F217-4519MAY 7510P063-6020MAY 7431P024-6021MAY 3807F451-4522MAY 7507P085-6023MAY 7507P113-6024MAY 7507P084-6025MAY 7507P091-6026MAY 7103P119-60