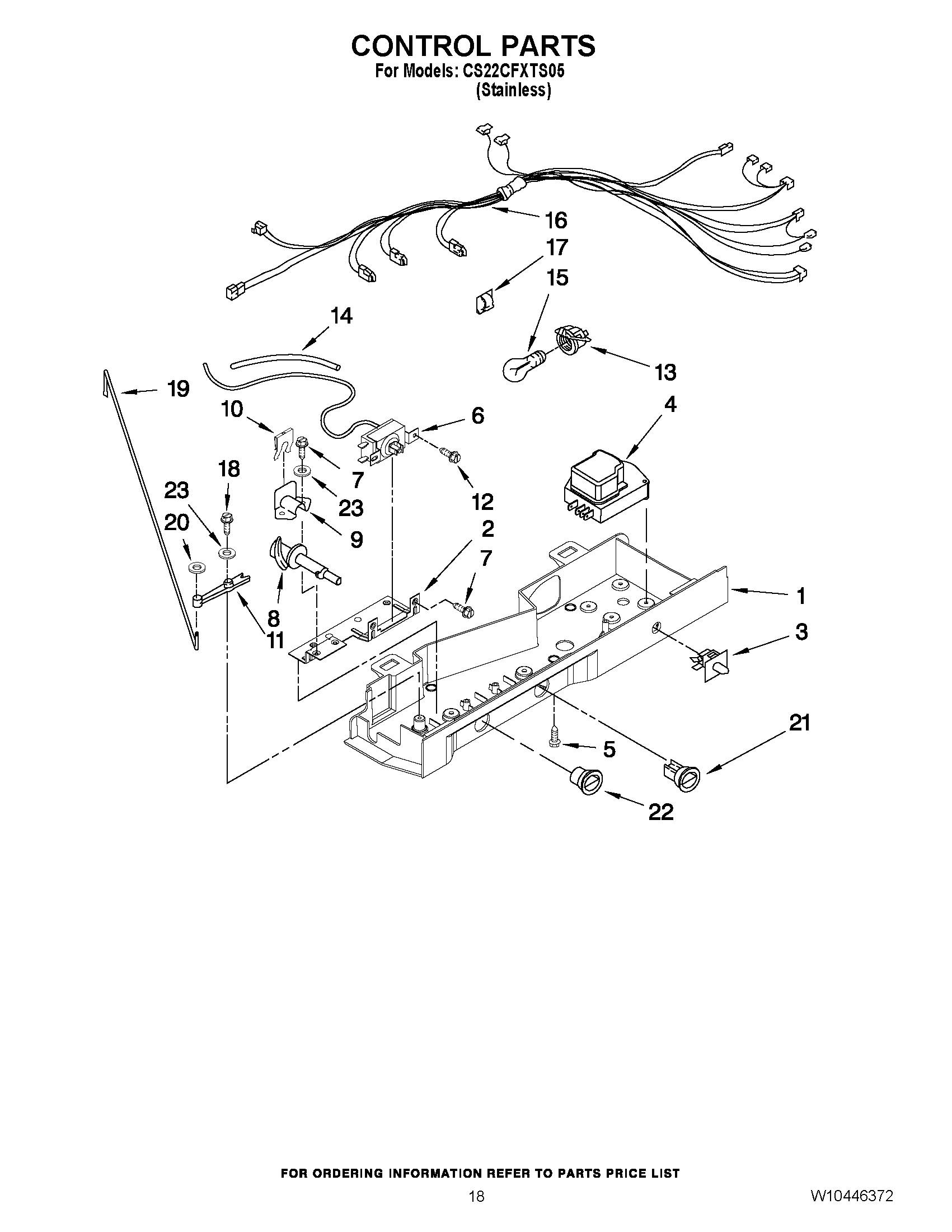
CS22CFXTS05 11 – CONTROL PARTSadmin2025-04-26T09:36:30+00:00CS22CFXTS05 11 – CONTROL PARTS ProductsPositionProduct1Control Box22311611 Whirlpool Refrigerator Bracket3WP2149705 Whirlpool Refrigerator Door Switch4W10822278 Whirlpool Defrost Timer5489392 Whirlpool Refrigerator Screw6WP2198202 Whirlpool Refrigerator Temperature Thermostat7WP3196557 Whirlpool Screw8WP2182195 Whirlpool Refrigerator Cam91110560 Whirlpool Refrigerator Bearing10WP2196062 Whirlpool Refrigerator Clip11Pivot Arm12WP965173 Whirlpool Dishwasher Screw134387478 Whirlpool Refrigerator Light Socket14WP2196003 Whirlpool Refrigerator Bar Riser15RANGE ONLY 40W 120V APPL BULB162311636 Whirlpool Refrigerator Wire Harness17WP1115374 Whirlpool Refrigerator Clip18627068 Whirlpool Refrigerator Screw192311631 Whirlpool Refrigerator Rod20Fastener, Push-On21W10723843 Whirlpool Refrigerator Thermostat Knob222311615 Whirlpool Refrigerator Knob23489203 Whirlpool Refrigerator Washer