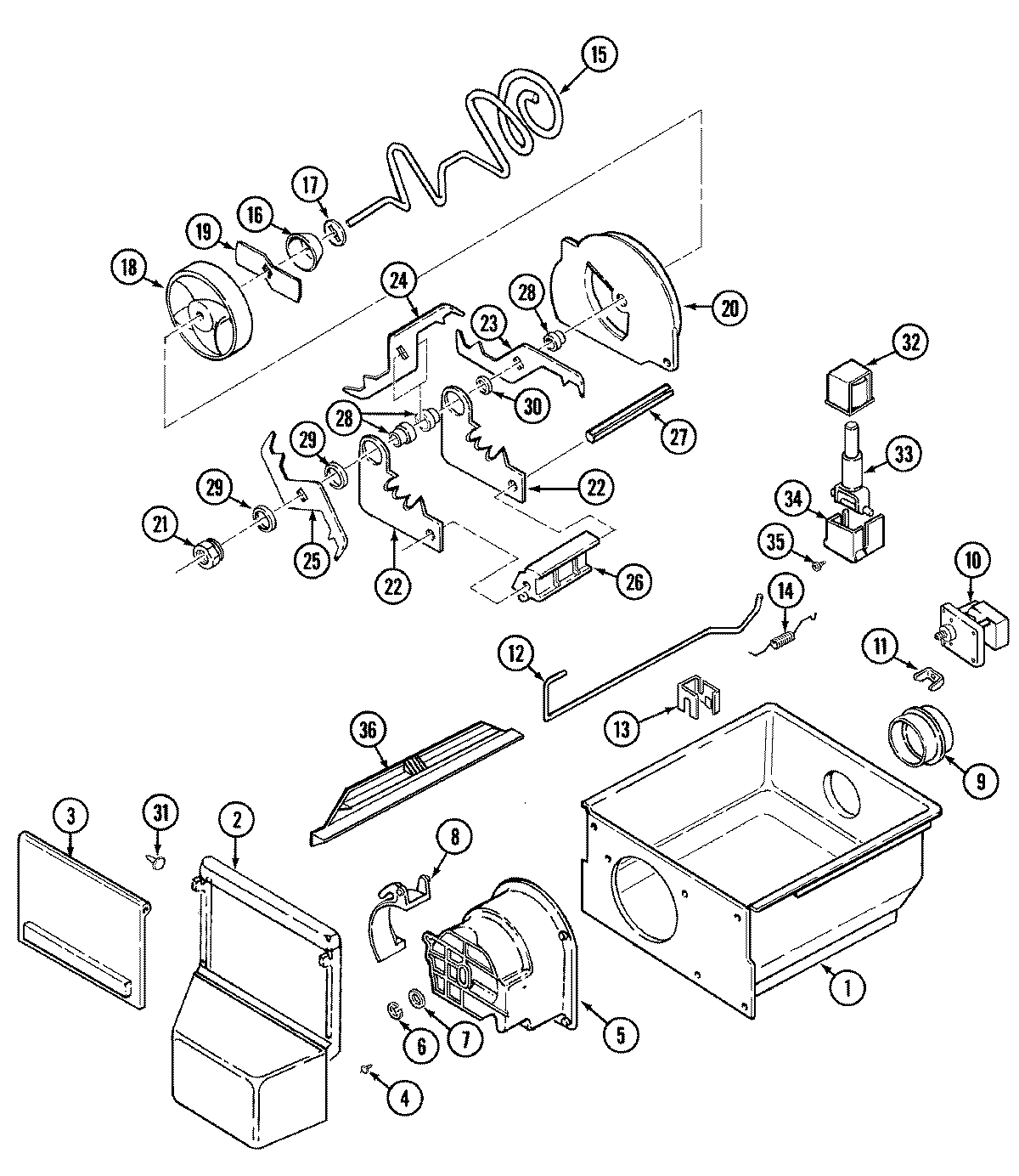
CSBS660D 08 – ICE CRUSHER & BIN