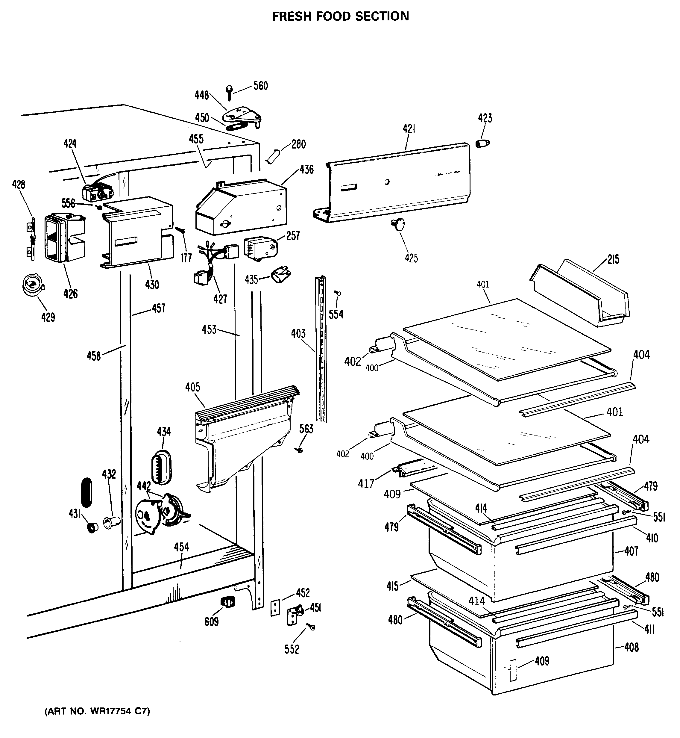
CSC22GRAWH FRESH FOOD SECTION