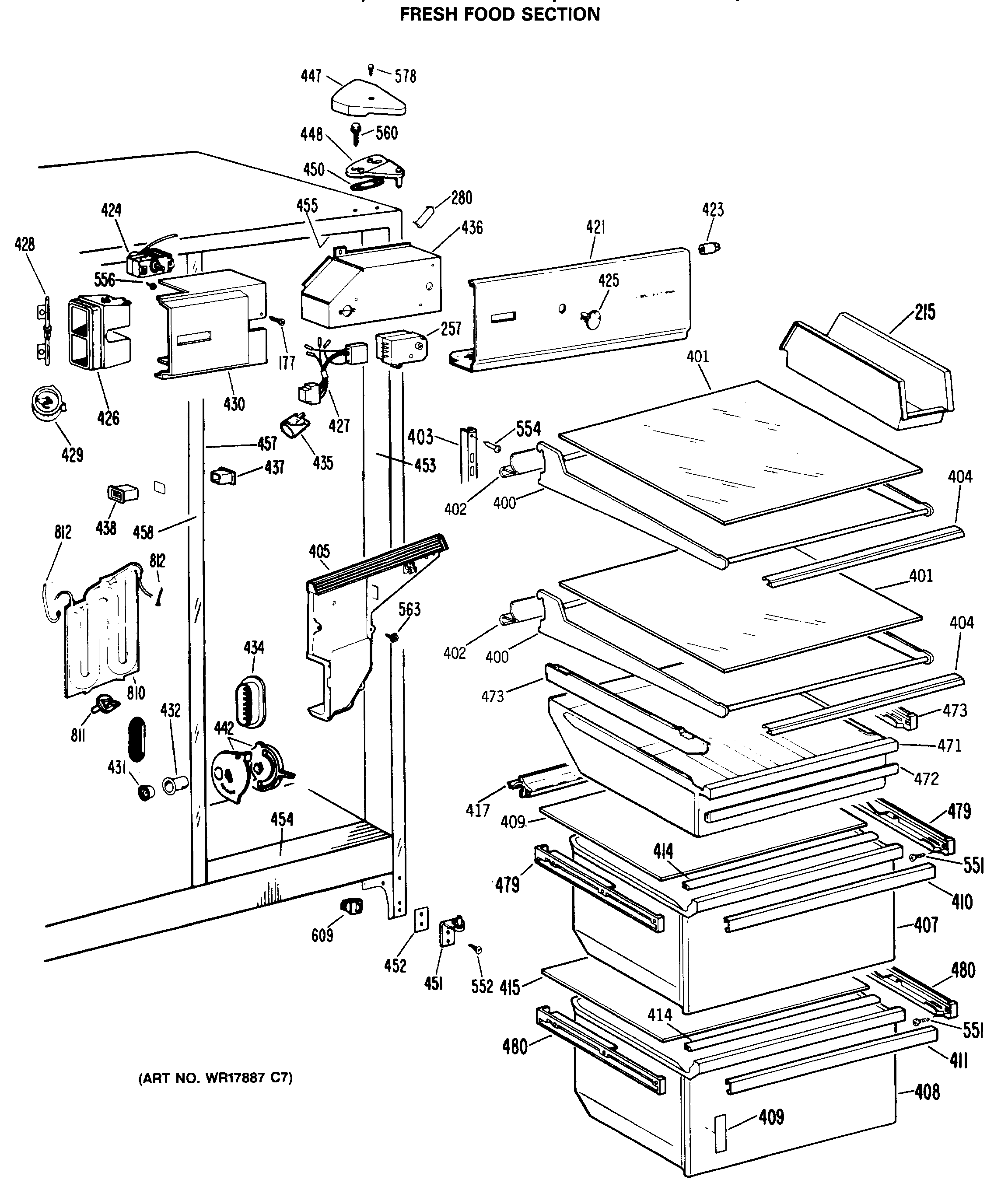
CSC27HRAWH FRESH FOOD SECTION