CSCP5UGXDFSS ICE MAKER & DISPENSER

CSCP5UGXDFSS ICE MAKER & DISPENSER

Products

PositionProduct
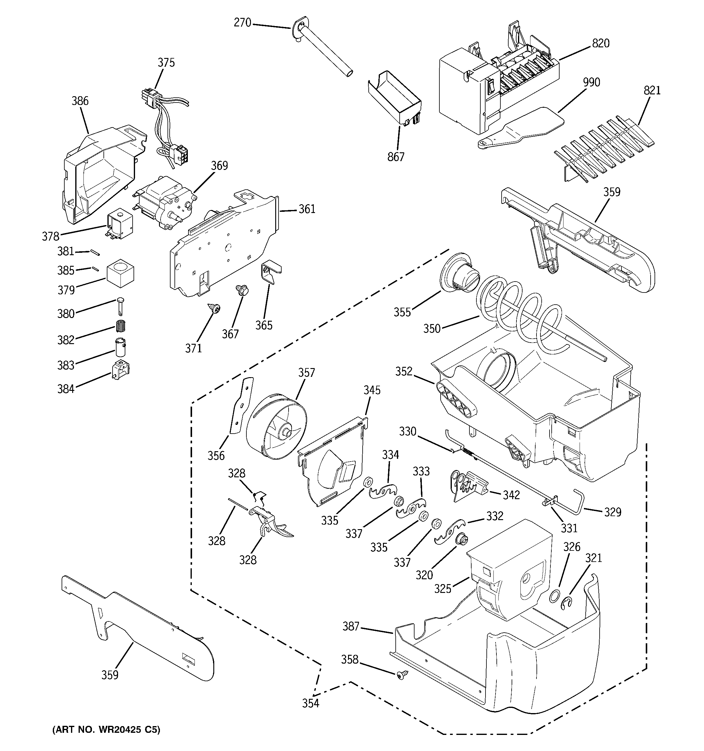
270WR17X11168 GROMMET AND TUBE ASM
320WR01X10315 GE Refrigerator Auger Nut
321WR1X1367D GE Refrigerator Return Package 12
325WR17X11505 GE Refrigerator Housing Crusher
326GEN WR01X1366
328WR2X4143 GE Refrigerator Pivot
328WR17X10703 GE Refrigerator Deflector
328GEN WR02X4561
329WR17X11486 GE Wire Actuator Disp
330WR02X11768 GE Refrigerator Internal Spring Deflector
331WR02X10580 GE Refrigerator Retainer Spring
332WR17X1361 GE Refrigerator Blades Moving Display
333WR17X1362 GE Refrigerator Middle Blade
334WR17X1363 GE Refrigerator Blades Moving Display
335GEN WR02X4139
337WR2X4138 GE Refrigerator Spacer
342WR02X10691 GE Refrigerator STATIONARY Blades Assembly
345WR17X11453 GE Refrigerator Crusher Cover
350GEN WR17X11479
352GEN WR30X10095
354WR17X12079 GE Ice Bucket Assembly
355WR17X11459 GE Refrigerator Ice Dispenser Bucket Drive Cup
356WR17X11458 GE Refrigerator HELIX Lock Plate
357WR17X11457 GE Refrigerator Helix
358WR01X10607 GE Scraper 8-18 Ab Phr 1/2 S
359WR72X10241 GE Refrigerator Glide Bucket Right Hand
359WR72X10240 GE Refrigerator Left Slide Rail
361WR17X12323 GE Refrigerator Back Motor Cover
365WR02X11534 GE Refrigerator Drive Auger DC02
367WR01X10618 GE Refrigerator Screw 8-18 TPT 1/4
369WR60X10259 GE Refrigerator Ice Crusher Dispenser Auger Motor
371WR01X10619 GE Refrigerator Screw
375WR23X10558 GE Refrigerator Harness Motor Dispenser
381WR62X23154 GE Refrigerator Ice Dispenser Solenoid Kit
382WR62X26536 GE Refrigerator Armature Kit
386WR02X12491 GE Refrigerator Auger Motor Cover
387GEN WR17X11478
820WR30X10093 GE Refrigerator Ice Maker
821WR29X10085 GE Ice Stripper
867WR29X10109 GE Refrigerator Water Fill Cup
990WR49X10139 GE Refrigerator Arm Feeler IM