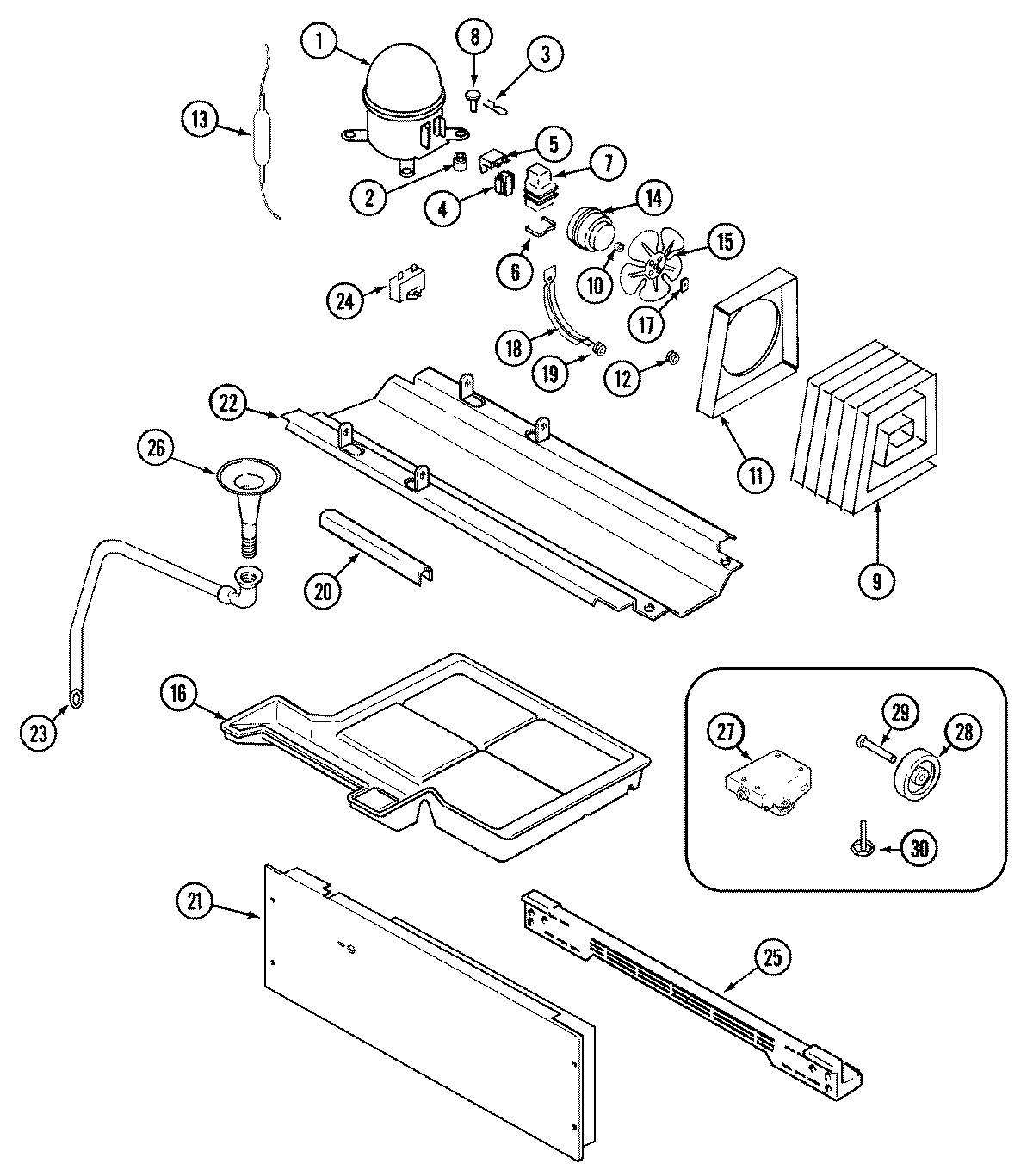
CSD2325ARA 01 – COMPRESSORadmin2025-04-26T11:20:15+00:00CSD2325ARA 01 – COMPRESSOR ProductsPositionProductNIMAY 61003134NIMAY 16009103NIMAY 120015471MAY 610022231MAY 120014861W10309995 Whirlpool Refrigerator Compressor2MAY 17245-43MAY 610030994WP10097204 Whirlpool Start Relay4W10920279 Whirlpool Refrigerator Start Relay5MAY 610017855WP61006295 Whirlpool Refrigerator Overload6MAY 610026207WP61002138 Whirlpool Refrigerator Terminal Cover7MAY 66589-18MAY 52656-29MAY 610031309WP489399 Whirlpool Refrigerator Screw10MAY 6100168611MAY 6100194112MAY 6100203313WPW10143759 Whirlpool Dryer Filter14MAY 65275-3314MAY 6100156215MAY 60683-116MAY 6100264917WP486692 Whirlpool Refrigerator Nut18MAY 69181-119MAY 56933-120MAY 6100197421MAY 65275-521MAY 6100337022WP67006715 Whirlpool Refrigerator Screw22MAY 6100337123MAY 6100313323MAY 53516-924MAY 6100213724WP65889-4 Whirlpool Refrigerator Capacitor25MAY 6100406526MAY 6100475127WP489478 Whirlpool Refrigerator Screw27MAY 6100206628WP61003826 Whirlpool Wheel29WP61002104 Whirlpool Refrigerator Pin Wheel30MAY 61002014