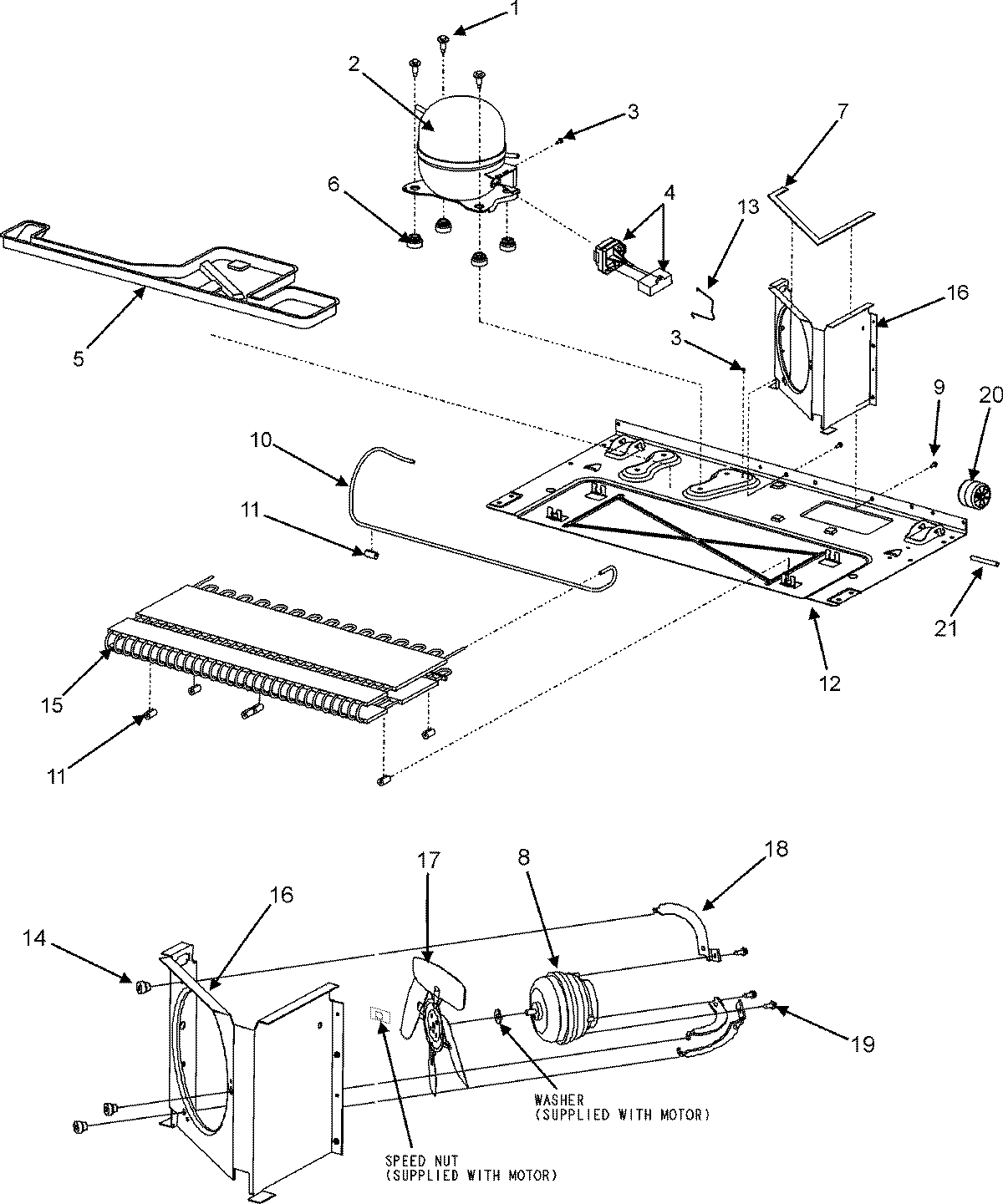
CSD2610KRW 02 – COMPRESSOR/COND MOTOR/REAR ROLLERSadmin2025-04-26T11:19:26+00:00CSD2610KRW 02 – COMPRESSOR/COND MOTOR/REAR ROLLERS ProductsPositionProductNIMAY 670043241MAY 670064322W10309990 Whirlpool Refrigerator Compressor3MAY 670064334W10613606 Whirlpool Refrigerator Start Device Relay Overload5MAY 67004848667003493 Whirlpool Refrigerator Compressor Grommet7WP854334 Whirlpool Air Conditioner Sealing Strip8833697 Whirlpool Condenser Fan Motor9Screw (10)10MAY 670047001167005680 Whirlpool Refrigerator Condenser Grommet12MAY 6700588913MAY 1257680114GROMMET, BRACKET15MAY 6700223515WP67006131 Whirlpool Refrigerator Condenser16SHROUD, CONDENSER FAN17WP12587601 Whirlpool Refrigerator Condenser Blade18Bracket, Motor (3)19Screw (3)20WP67005149 Whirlpool Roller2167006434 Whirlpool Axle Pin