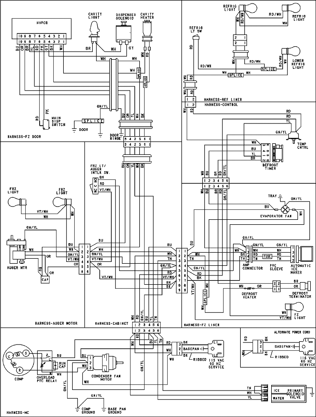
CSD2610KRW 18 – WIRING INFORMATIONadmin2025-04-26T11:20:15+00:00CSD2610KRW 18 – WIRING INFORMATION ProductsPositionProductNIMAY 15003956