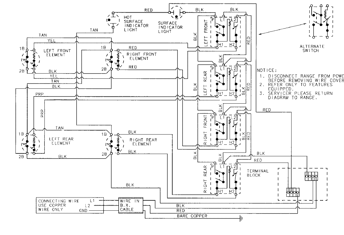
CSE9000BCB 02 – WIRING INFORMATIONadmin2025-04-26T11:19:49+00:00CSE9000BCB 02 – WIRING INFORMATION ProductsPositionProductNIMAY 15001656