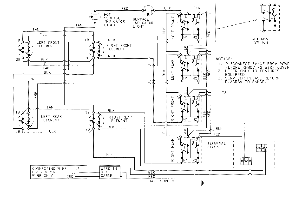
CSE9000BCM 02 – WIRING INFORMATIONadmin2025-04-26T11:19:33+00:00CSE9000BCM 02 – WIRING INFORMATION ProductsPositionProductNIMAY 15001656