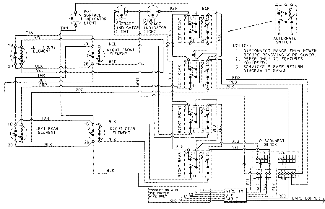
CSE9000BDB 02 – WIRING INFORMATION

CSE9000BDB 02 – WIRING INFORMATION

Products

PositionProduct
NIMAY 15001356