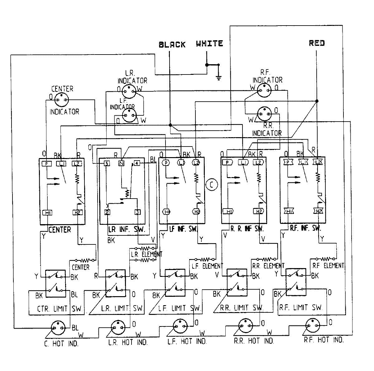
CSE9600ACE 03 – WIRING INFORMATIONadmin2025-04-26T11:19:26+00:00CSE9600ACE 03 – WIRING INFORMATION ProductsPositionProductNIMAY 15001397