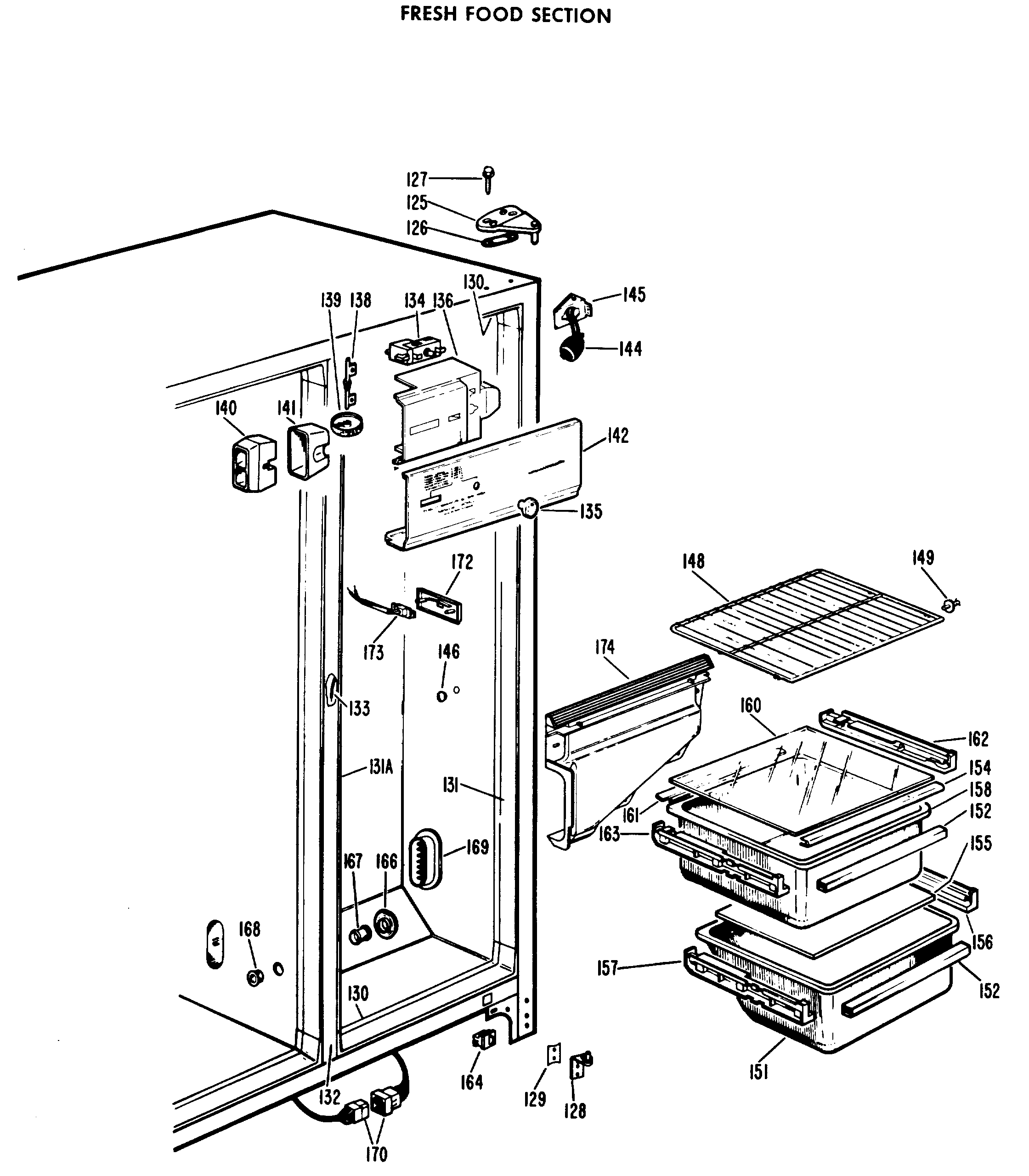
CSF19AYX FRESH FOOD SECTIONadmin2025-04-26T08:36:34+00:00CSF19AYX FRESH FOOD SECTION ProductsPositionProduct125HINGE TOP ASM126GEN WR02X4194127GEN WR01X1249128NUT STRIP128POP RIVET128SCR 12-24 HXW 7/8 S PP128WR49X5124 GE Refrigerator Hinge and Cam Assembly129SHIM HINGE BTM.130RETAINER BREAKER130BREAKER STRIP-TOP & BTM.130RETAINER BREAKER131GEN WR40X5373131GEN WR40X1565131RETAINER BREAKER132GEN WR02X4739132GEN WR02X4737132GEN WR02X4738132SCREW 8-32X3/8132GEN WR40X1564132GEN WZ06X0096132SCR 8-18 AB FL 5/8 SNS133GEN WR51X0234134SCR 8-32 MA TR 1/4 SS134CONTROL TEMP134CLIP-CONTROL HOUSING135GEN WR02X6275136WZ4X241D GE Screw Package136HOUSING CONT138GEN WR02X4835138GEN WR02X4559139GEN WR02X4836140GASKET FOAM140GEN WR02X4834141GEN WR02X3880141SCREW142GEN WR17X5842142GEN WR01X1332142GEN WR02X4840144GEN WR02X3998145LINER SCREW145GEN WR02X4849146WR2X3139 GE Refrigerator Plug Button148SHELF FF149SUPPORT SHELF151GEN WR32X5139152GEN WR17X5671154GEN WR14X5111155COVER PAN156SLIDE PAN-R. SIDE157SLIDE PAN-L. SIDE158PAN VEG160GEN WR32X0654161GEN WR14X5108162SLIDE PAN163SLIDE PAN164WR23X37285 GE Light Switch166PLUG VENT167GEN WR02X3886168PLUG FERRULE169SEAL169GEN WR02X4542170GEN WR49X0194172GEN WR04X5057172GEN WR02X3757173SWITCH POWER SAVER173SCR 6-32 D TR 3/8 SS174GEN WR17X1382174GEN WR14X0264174GEN WR01X1326174GEN WZ04X0244