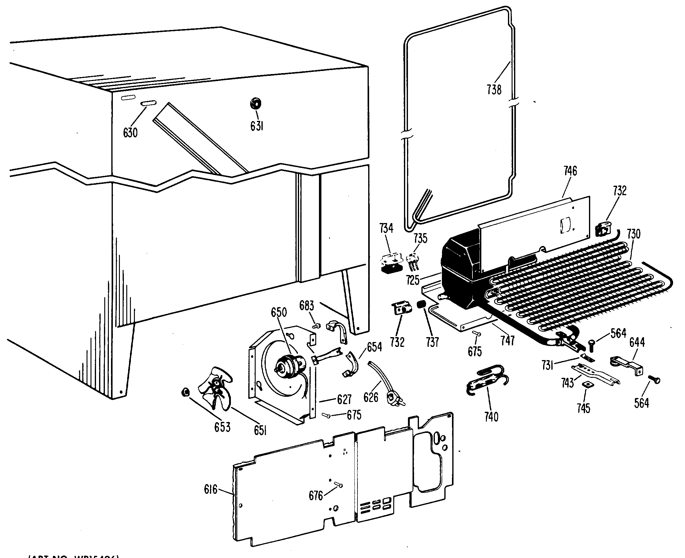
| 564 | GEN WR01X1194 |
| 616 | GEN WR82X0219 |
| 626 | WR1X5278 GE Refrigerator Cable Clamp |
| 626 | WR23X10300 GE Refrigerator Power Cord Assembly |
| 627 | MTG. RAIL |
| 630 | WR2X4097 GE Button Plug |
| 631 | GEN WR02X4829 |
| 631 | GEN WR02X4968 |
| 644 | TONGUE ASM |
| 644 | GEN WR02X2375 |
| 650 | WR60X177 GE Condenser Fan Motor |
| 651 | GEN WR60X0042 |
| 653 | GEN WR01X1515 |
| 654 | GEN WR02X7106 |
| 675 | GEN WZ06X0096 |
| 676 | WD2X5166 GE Dishwasher Screw |
| 683 | SCREW FAN MTR/BRKT |
| 725 | WR87X10082 GE Refrigerator Compressor Replacement Kit |
| 730 | GEN WR84X0050 |
| 731 | GEN WR02X4850 |
| 732 | CUP & BRACKET ASM-R. SIDE |
| 732 | CUP & BRACKET ASM-L. SIDE |
| 734 | RELAY COMP |
| 734 | COVER RELAY |
| 734 | GEN WR02X3583 |
| 735 | GEN WR08X0044 |
| 737 | SLEEVE COMP MTG |
| 738 | TUBE COND LOOP ASM |
| 740 | WR86X25269 GE Refrigerator R134 Dryer |
| 743 | EXT COMP MTG |
| 745 | NUTSTRIP COMP MTG D/J |
| 746 | BAFFLE COMP FRT |