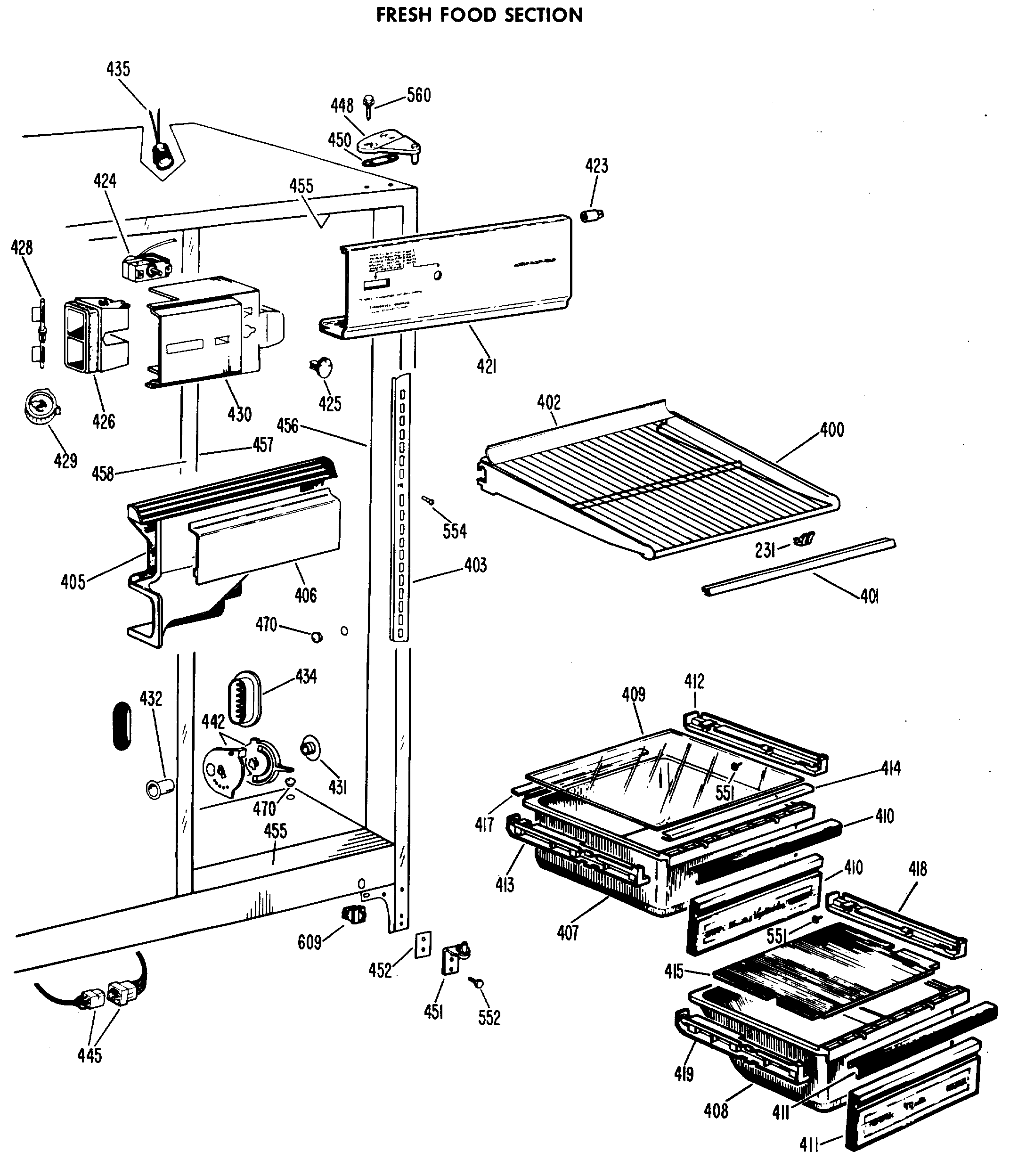
CSF20ECC FRESH FOOD SECTIONadmin2025-04-26T08:36:45+00:00CSF20ECC FRESH FOOD SECTION ProductsPositionProduct230BRACKET DEF HTR231GEN WR02X5008400SHELF CANT WIRE ASM401GEN WR38X5146403TRACK CANT SHELF405GEN WR14X0264405GEN WR17X1382407PAN VEG.408PAN MEAT409GEN WR32X0654410GEN WR17X5960411GEN WR17X5961412SLIDE PAN413SLIDE PAN414GEN WR14X5111415COVER PAN417GEN WR14X5108418SLIDE PAN-R. SIDE419SLIDE PAN-L. SIDE421GEN WR17X6032423GEN WR02X6347423GEN WR02X6350424GEN WR09X0359425GEN WR02X7157426GEN WR02X3880426GASKET FOAM426GEN WR02X4834428GEN WR02X4835429GEN WR02X7156430HOUSING CONT431CAP MULLION DUCT432GEN WR02X3886434GEN WR02X4542435SOCKET LAMP442GEN WR02X7035445R-E-D SERVICE PKG.448HINGE TOP ASM450GEN WR02X4194451WR49X5124 GE Refrigerator Hinge and Cam Assembly455BREAKER STRIP-TOP & BTM.456BREAKER STRIP-HINGE SIDE456RETAINER BREAKER456RETAINER BREAKER456RETAINER BREAKER457BREAKER STRIP-FF MULLION458GEN WR40X1576551GEN WZ04X0244552SCR 12-24 TT HXW 1 3/64S554GEN WR01X1483560GEN WR01X1249609WR23X37285 GE Light Switch