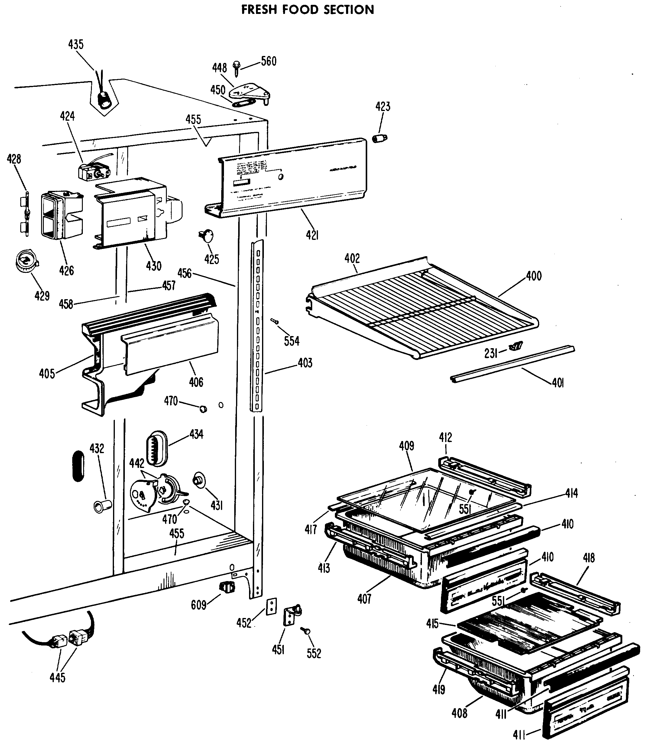
CSF20ECM FRESH FOOD SECTION