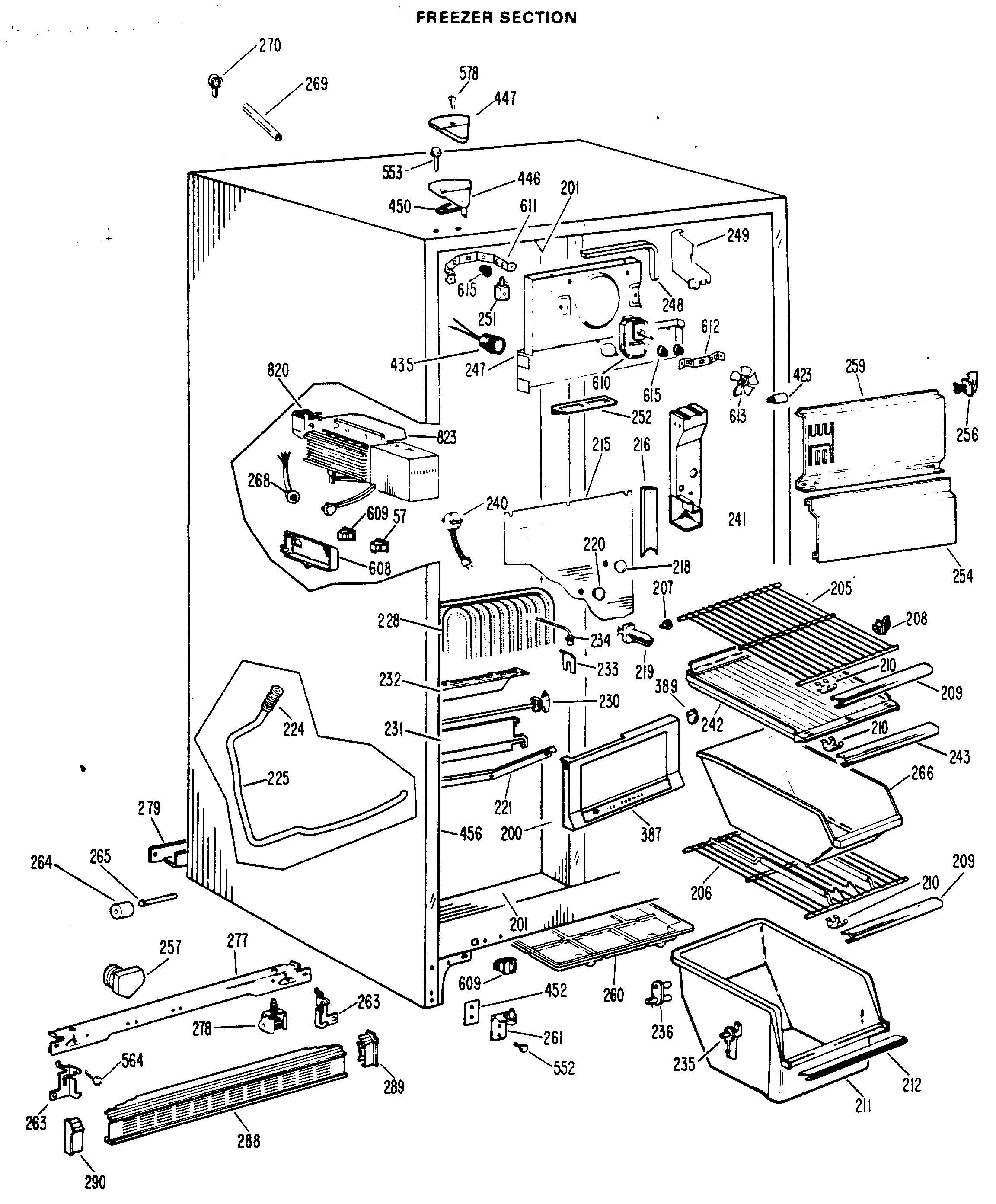
| 57 | SWITCH-CRADLE-WATER SIDE |
| 200 | BREAKER STRIP-FZ MULLION |
| 201 | BREAKER STRIP-TOP & BTM. |
| 205 | SHELF FZ-TOP |
| 205 | SHELF FZ-2ND |
| 206 | SHELF FZ-BTM. |
| 206 | PLASTIC SLEEVE |
| 207 | GEN WR02X4676 |
| 208 | GEN WR02X4674 |
| 209 | GEN WR38X5180 |
| 212 | GEN WR02X6042 |
| 213 | SHELF FZ-4TH |
| 215 | COVER EVAP |
| 216 | GEN WR14X0274 |
| 219 | GEN WR02X4421 |
| 220 | PLUG RECESSED |
| 221 | TROUGH DRAIN |
| 224 | GEN WR02X4967 |
| 225 | GEN WR02X7088 |
| 228 | LOW SIDE ASM |
| 230 | BRACKET DEF HTR |
| 230 | SHIELD DEF HTR END |
| 230 | GEN WR51X0231 |
| 231 | GEN WR02X5008 |
| 232 | GEN WR02X4971 |
| 234 | GEN WR02X4546 |
| 236 | GEN WR02X4548 |
| 237 | GEN WR02X7036 |
| 240 | WR50X55 GE Refrigerator Defrost Thermostat 55 Degree with Clip |
| 241 | DUCT AIR FZ VERT |
| 241 | PLUG BUTTON |
| 242 | 3RD SHELF-PLASTIC |
| 243 | TRIM SHELF |
| 247 | GEN WR17X1413 |
| 248 | GEN WR14X0272 |
| 249 | GEN WR17X1414 |
| 251 | GEN WR02X2880 |
| 252 | GEN WR02X7042 |
| 254 | SHIELD LIGHT FZ |
| 256 | GEN WR02X4839 |
| 257 | BRACKET DEF CONTROL |
| 259 | GEN WR17X6034 |
| 260 | GEN WR02X7074 |
| 260 | PAN WATER DISPOSAL ASM |
| 261 | WR49X5124 GE Refrigerator Hinge and Cam Assembly |
| 263 | GEN WR02X4098 |
| 263 | GEN WR02X4099 |
| 264 | WR2X3594 GE Refrigerator Wheel |
| 265 | GEN WR02X4742 |
| 265 | GEN WR02X3598 |
| 266 | GEN WR38X5255 |
| 268 | RECEPTACLE-ICEMAKER |
| 269 | TUBE WATER FILL |
| 269 | GEN WR01X1543 |
| 270 | WR2X4754 GE Refrigerator Fill Clamp |
| 270 | GROMMET WATER FILL |
| 277 | GEN WR17X1492 |
| 278 | WHEEL ASM FRT |
| 279 | RAIL-MACH MTG-REAR |
| 288 | GRILLE-O. CASE |
| 289 | GEN WR02X6383 |
| 290 | CAP GRILLE L. SIDE |
| 387 | COVER IM ASM |
| 389 | SUPPORT SHELF |
| 423 | GEN WR02X6350 |
| 423 | GEN WR02X6347 |
| 435 | SOCKET LAMP |
| 446 | HINGE TOP-FRZ DOOR |
| 447 | COVER HINGE |
| 450 | GEN WR02X4194 |
| 456 | BREAKER STRIP-HINGE SIDE |
| 456 | RETAINER BREAKER |
| 552 | SCR 12-24 TT HXW 1 3/64S |
| 564 | GEN WR01X1194 |
| 564 | SCR 6-20 AB TR 3/8 SS |
| 578 | WZ2X464D GE Screw |
| 608 | COVER SWITCH HP DISP |
| 609 | WR23X37285 GE Light Switch |
| 610 | GEN WR60X0131 |
| 611 | BRACKET EVAP FAN |
| 612 | BRACKET EVAP FAN |
| 613 | WR60X114 GE Refrigerator Evaporator Motor Fan Blade |
| 615 | GEN WR02X2945 |
| 823 | WR29X98 GE Refrigerator Retainer |
| 823 | GEN WR29X0099 |
| 32767 | WR9X482 GE Refrigerator Defrost Timer 8 Hour 30 Minute |
| 32767 | WR30X10093 GE Refrigerator Ice Maker |
| 32767 | GEN WR02X4816 |