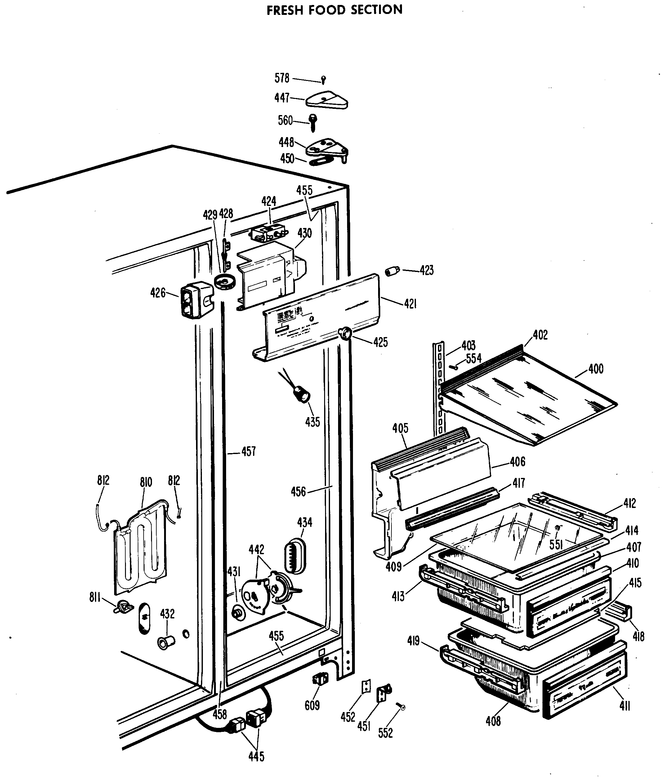
CSF24DCM FRESH FOOD SECTIONadmin2025-04-26T08:36:38+00:00CSF24DCM FRESH FOOD SECTION ProductsPositionProduct400GEN WR71X6008402GEN WR38X0959403GEN WR72X5045405GEN WR17X1523405GEN WR14X0264406GEN WR17X5749407GEN WR32X5140408GEN WR32X5097409GEN WR32X5177410GEN WR17X5972411GEN WR17X5971411GEN WR02X6390412GEN WR72X5046413WR72X207 GE Refrigerator Left Hand Slide Assembly414GEN WR14X5112415GEN WR32X5118417GEN WR14X5117418GEN WR72X5002419GEN WR72X5003421GEN WR17X6033423GEN WR02X6347424GEN WR09X0359425GEN WR02X7157426GASKET FOAM426GEN WR02X4834426GEN WR02X3880428GEN WR02X4835429GEN WR02X7156430HOUSING CONT431GEN WR02X6146432GEN WR02X3886434GEN WR02X4542435SOCKET LAMP442GEN WR02X7035445R-E-D SERVICE PKG.447COVER HINGE448HINGE TOP ASM450GEN WR02X4194451WR49X5124 GE Refrigerator Hinge and Cam Assembly455BREAKER STRIP-TOP & BTM.456RETAINER BREAKER456BREAKER STRIP-HINGE SIDE457BREAKER STRIP-FF MULLION458GEN WR40X1576551GEN WZ04X0244552SCR 12-24 TT HXW 1 3/64S554GEN WR01X1483560GEN WR01X1249578WZ2X464D GE Screw609WR23X37285 GE Light Switch687GEN WZ05X0194810WATER TANK ASM DISP811GEN WR02X4469812WR17X1483 GE Refrigerator Tube Replacement Pack32767WR2X4330D GE Refrigerator Connection Package 12