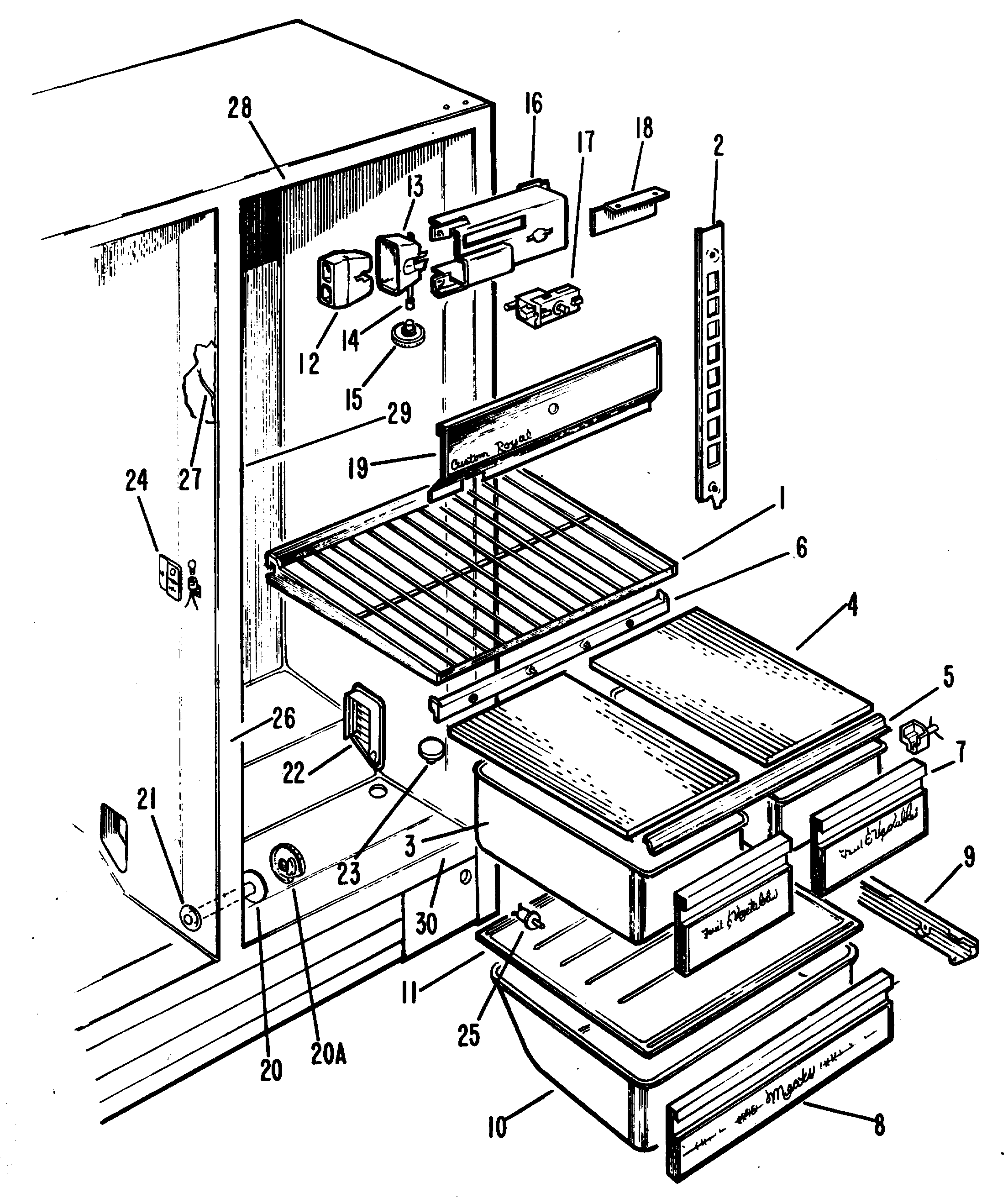
| 1 | GEN WR38X5002 |
| 1 | GEN WR02X3440 |
| 1 | GEN WR71X5761 |
| 1 | CANTILEVER SHELF (KMB) |
| 1 | GEN WR38X5003 |
| 2 | SCREW - LADDER TO LINER |
| 2 | GEN WR72X5035 |
| 2 | SHELF LADDER (KMB) |
| 3 | GEN WR32X5127 |
| 3 | STORAGE PAN (KMB-KMC) |
| 4 | GEN WR32X5128 |
| 4 | STORAGE PAN COVER (KMB-KMC) |
| 5 | SUPPORT - FRONT RAIL - L.S. |
| 5 | FRONT RAIL |
| 5 | SUPPORT - FRONT RAIL - R.S. |
| 6 | REAR RAIL |
| 7 | HANDLE-STORAGE PAN (KMB-KMC) |
| 8 | SCREW - COVER TO CLIP |
| 8 | HANDLE-STORAGE PAN |
| 9 | GEN WR72X5003 |
| 9 | GEN WR72X5002 |
| 9 | GEN WZ04X0244 |
| 10 | GEN WR32X5097 |
| 11 | GEN WR32X5118 |
| 12 | GEN WR02X5817 |
| 13 | GEN WR02X3880 |
| 14 | GEN WR02X5840 |
| 15 | WHEEL - DAMPER |
| 16 | GEN WR02X5013 |
| 17 | GEN WR01X5028 |
| 17 | SCREW - CONTROL TO HOUSING |
| 17 | GEN WR09X5054 |
| 18 | SCREW - EXTENSION TO LINE |
| 18 | GEN WR02X5032 |
| 18 | GEN WR01X5043 |
| 19 | GEN WR17X5570 |
| 19 | GEN WR02X5031 |
| 20 | GEN WR02X6007 |
| 20 | DUCT |
| 21 | VENT COLLAR |
| 22 | GEN WR17X5006 |
| 23 | VENT PLUG - FF DRAIN TUB |
| 24 | GEN WZ04X0223 |
| 24 | GEN WR01X5397 |
| 24 | GEN WR02X5841 |
| 24 | GEN WR02X5842 |
| 24 | GEN WR02X5954 |
| 24 | GEN WR01X5390 |
| 25 | RECEPTACLE W/LEADS |
| 25 | GEN WR23X0153 |
| 26 | GEN WR40X5023 |
| 27 | GEN WR51X0176 |
| 28 | GEN WR40X5377 |
| 29 | RETAINER BREAKER |
| 29 | BREAKER STRIP-HINGE SIDE |
| 29 | GEN WR02X6159 |
| 30 | BREAKER STRIP-TOP & BTM. |
| 30 | RETAINER BREAKER |