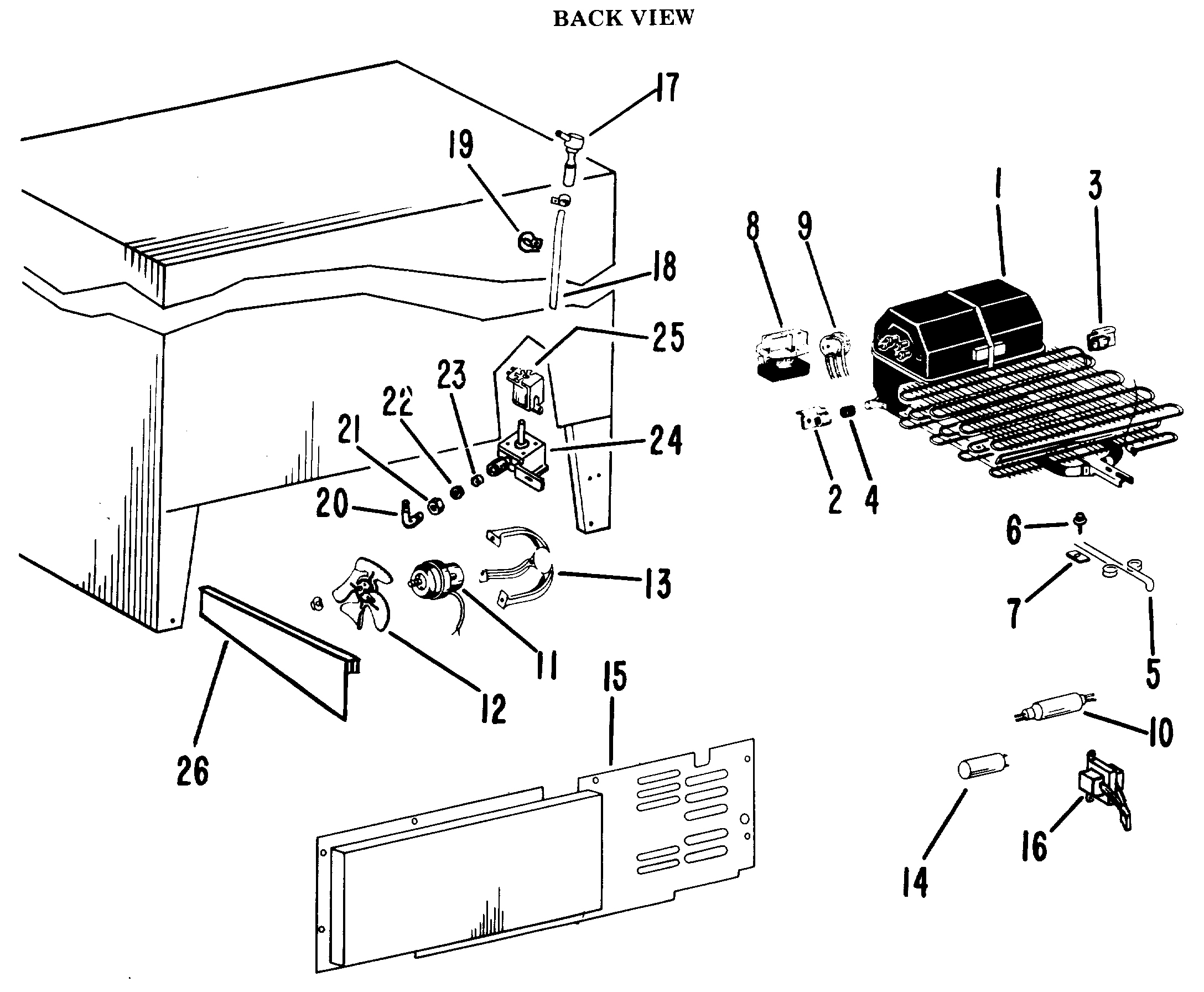
CSF24KMD BACK VIEW