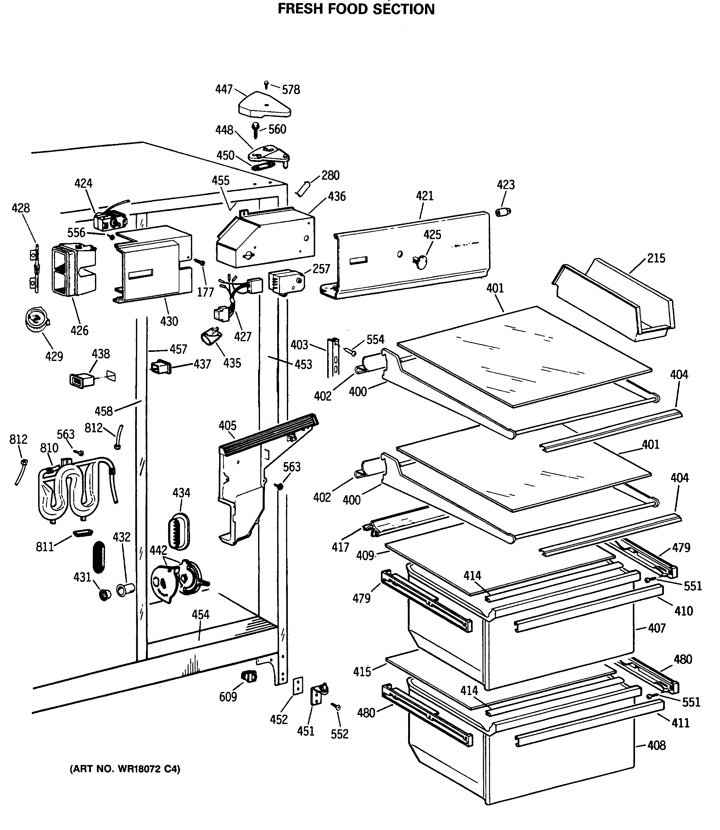
CSH24GRTAAA FRESH FOOD SECTIONadmin2025-04-26T08:36:16+00:00CSH24GRTAAA FRESH FOOD SECTION ProductsPositionProduct177SCREW215GEN WR32X1441257DEFROST TIMER280GEN WR02X8519400GEN WR71X2292401GEN WR32X1372402GEN WR38X1958403GEN WR71X2124404GEN WR38X1959405GEN WR14X0264405GEN WR17X1523407GEN WR32X1221408GEN WR32X1222409GEN WR32X1369410GEN WR17X3255411GEN WR17X3256414GEN WR14X0451415GEN WR32X0886417GEN WR02X7359421GEN WR17X3673423GEN WR02X6347424GEN WR09X0499425GEN WR02X8400426GEN WR02X8425426GEN WR02X8514426GEN WR14X0369427GEN WR23X0316428GEN WR02X4835429GEN WR02X8399430GEN WR17X2209431GEN WR02X8722432GEN WR02X8654434GEN WR02X9021435RANGE ONLY 40W 120V APPL BULB435WR2X9391 GE Socket and Terminal436GEN WR02X7736437GEN WR02X7476438GEN WR02X8655442GEN WR02X8651447GEN WR02X8263448GEN WR13X0646450GEN WR02X4194451WR13X10020 GE Refrigerator Door Hinge Assembly with Cam452SHIM HINGE BTM.452NUTSTRIP HINGE453GEN WR40X1717454GEN WR40X1714455GEN WR40X1720457GEN WR40X1728458GEN WR02X8721458GEN WR02X7033458GEN WR40X1676458GEN WR02X4739479WR72X207 GE Refrigerator Left Hand Slide Assembly479GEN WR72X0206479GEN WR72X0230480GEN WR72X0209480GEN WR72X0208551GEN WZ04X0244554GEN WR01X1483560GEN WR01X1249560GEN WR01X1806578WZ2X464D GE Screw609WR23X37285 GE Light Switch810GEN WR17X3105811GEN WR02X8659812WR17X2891 GE Refrigerator 5/16" X 6FT Plastic Water Line Tubing