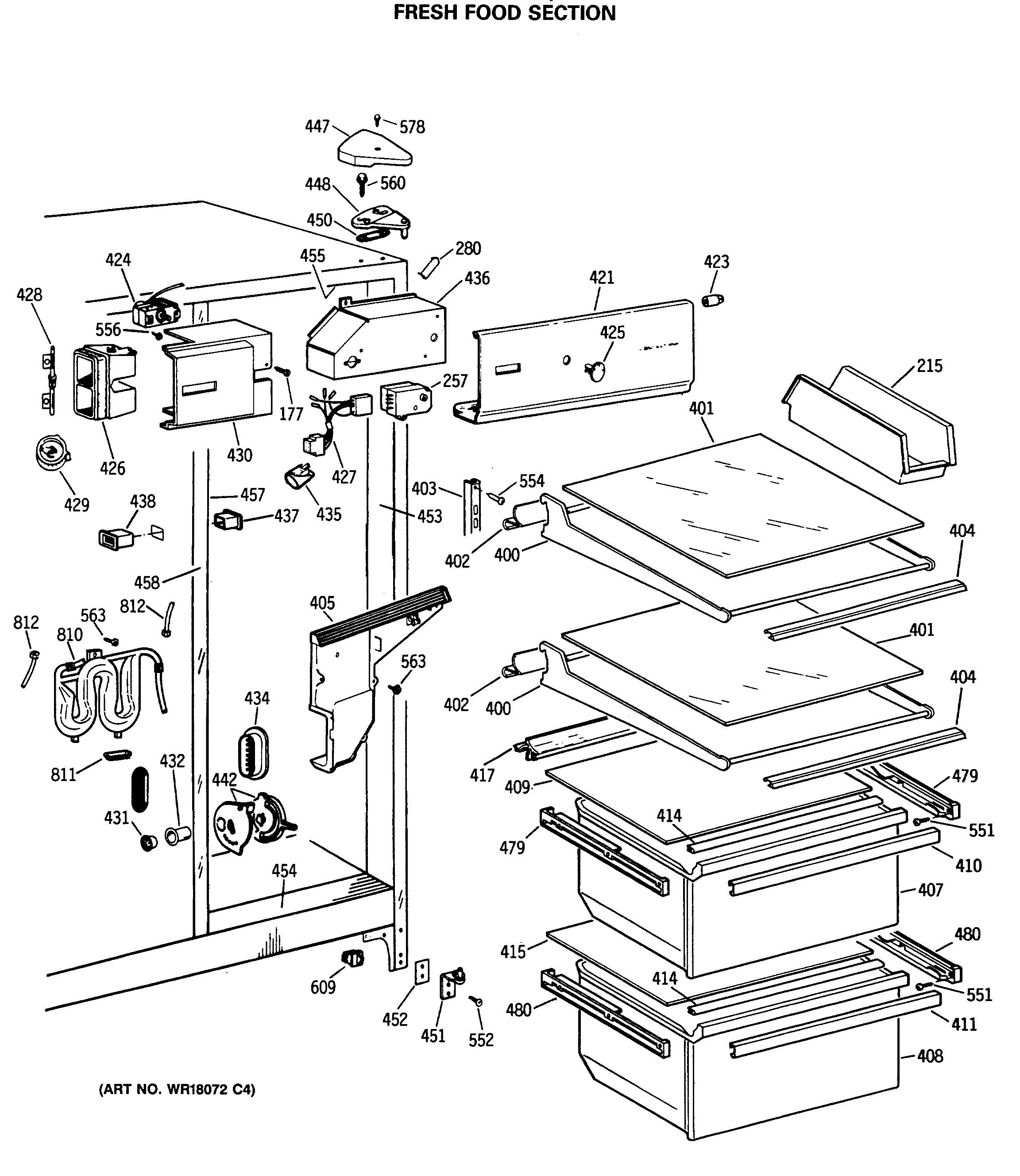
CSH24GRTAWW FRESH FOOD SECTION