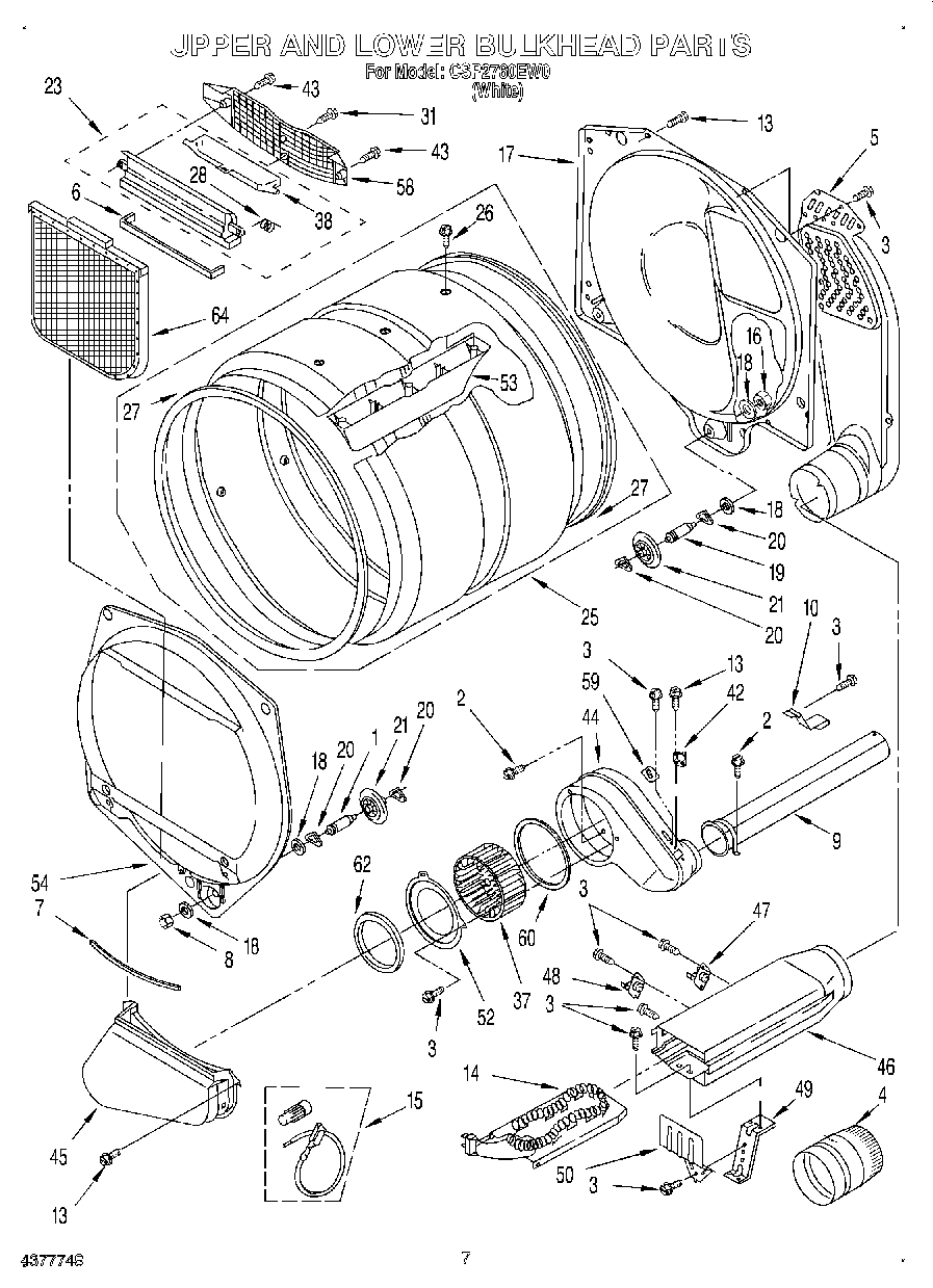
CSP2760EW0 04 – UPPER AND LOWER BULKHEAD, LIT/OPTIONAL

CSP2760EW0 04 – UPPER AND LOWER BULKHEAD, LIT/OPTIONAL

Products

PositionProduct
350930 Whirlpool White Spray Paint
WPL LIT3406277
WPL LIT3402323
Almond (Uncut)
WP72107 Whirlpool Touchup
799344 Whirlpool Refrigerator Paint
350938 Whirlpool Spray Gun
350956 Whirlpool Spray Assembly
72017 Whirlpool Appliance Touch-Up Paint White
1SHAFT
3WPW10139210 Whirlpool Screw
4Damper, Exhaust
5WP3387911 Whirlpool Air Duct
6WP697813 Whirlpool Seal
8WP3359452 Whirlpool Nut
9279936 Whirlpool Exhaust Pipe
10WP3395536 Whirlpool Clip Assembly
13WP488729 Whirlpool Refrigerator Door Screw
14W10864898 Whirlpool Dryer Heating Element
15279457 Whirlpool Dryer Heating Element Wide Spade Connection
16Nut, 3/8-16 (L.H.)
17W11299300 Whirlpool Bulkhead Assembly
18W11236646 Whirlpool Washer Assembly
19SHAFT
20WPW10512946 Whirlpool Dryer Tri-Ring Drum Roller
21WPW10314173 Whirlpool Dryer Drum Support Wheel
23W11129408 Whirlpool Out Housing
25W10545924 Whirlpool Drum Assembly
26Screw
27280114 Whirlpool Dryer Drum Seal
28WP3394986 Whirlpool Spring
37WP697772 Whirlpool Dryer Blower Wheel
38W11222846 Whirlpool Door
42WP3387138 Whirlpool Cycling Thermostat
43WP3387230 Whirlpool Screw
44WP8544363 Whirlpool Housing
45Lint Duct Assembly
46W10802681 Whirlpool Box Assembly
47279973 Whirlpool Dryer Thermal Cut-Off and High Limit Thermostat Kit
48THRMST-FIX
49Bracket, Heater
50Shield, Heat
52279780 Whirlpool Plate Cover
53WPW10113136 Whirlpool Drum Baffle
54WP697557 Whirlpool Bulkhead Assembly
58Grill, Outlet
59WP3390719 Whirlpool Dryer Thermal Fuse
60WP697770 Whirlpool Blower Cover Plate Seal
62WP8566209 Whirlpool Seal
64W10120998 Whirlpool Dryer Lint Screen Filter