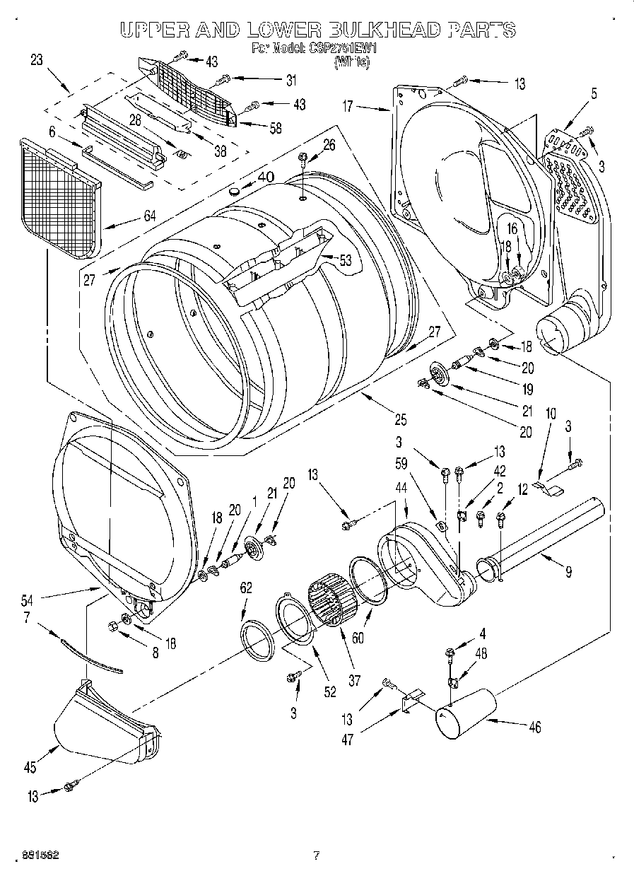
CSP2761EW1 06 – UPPER AND LOWER BULKHEAD, LIT/OPTIONALadmin2025-04-26T09:37:39+00:00CSP2761EW1 06 – UPPER AND LOWER BULKHEAD, LIT/OPTIONAL ProductsPositionProduct350930 Whirlpool White Spray PaintWPL LIT3395339Almond (Uncut)WP72107 Whirlpool Touchup799344 Whirlpool Refrigerator Paint72017 Whirlpool Appliance Touch-Up Paint White350956 Whirlpool Spray Assembly350938 Whirlpool Spray GunWPL LIT34062771SHAFT3WPW10139210 Whirlpool Screw5W11168650 Whirlpool Air Duct6WP697813 Whirlpool Seal8WP3359452 Whirlpool Nut9279936 Whirlpool Exhaust Pipe10WP3395536 Whirlpool Clip Assembly12WP90767 Whirlpool Screw13WP488729 Whirlpool Refrigerator Door Screw16Nut, 3/8-16 (L.H.)17W11299300 Whirlpool Bulkhead Assembly18W11236646 Whirlpool Washer Assembly19SHAFT20WPW10512946 Whirlpool Dryer Tri-Ring Drum Roller21WPW10314173 Whirlpool Dryer Drum Support Wheel23W11129408 Whirlpool Out Housing25W10545924 Whirlpool Drum Assembly26Screw27280114 Whirlpool Dryer Drum Seal28WP3394986 Whirlpool Spring37WP697772 Whirlpool Dryer Blower Wheel38W11222846 Whirlpool Door408066086 Whirlpool Plug42WP694674 Whirlpool Cycling Thermostat42WP3387138 Whirlpool Cycling Thermostat43WP3387230 Whirlpool Screw44WP8544363 Whirlpool Housing45Lint Duct Assembly46WP8066047 Whirlpool Funnel47WP338906 Whirlpool Dryer Gas Sensor48THRMST-FIX52279780 Whirlpool Plate Cover53WPW10113136 Whirlpool Drum Baffle54WP697557 Whirlpool Bulkhead Assembly58Grill, Outlet59WP3390719 Whirlpool Dryer Thermal Fuse60WP697770 Whirlpool Blower Cover Plate Seal62WP8566209 Whirlpool Seal64W10120998 Whirlpool Dryer Lint Screen Filter