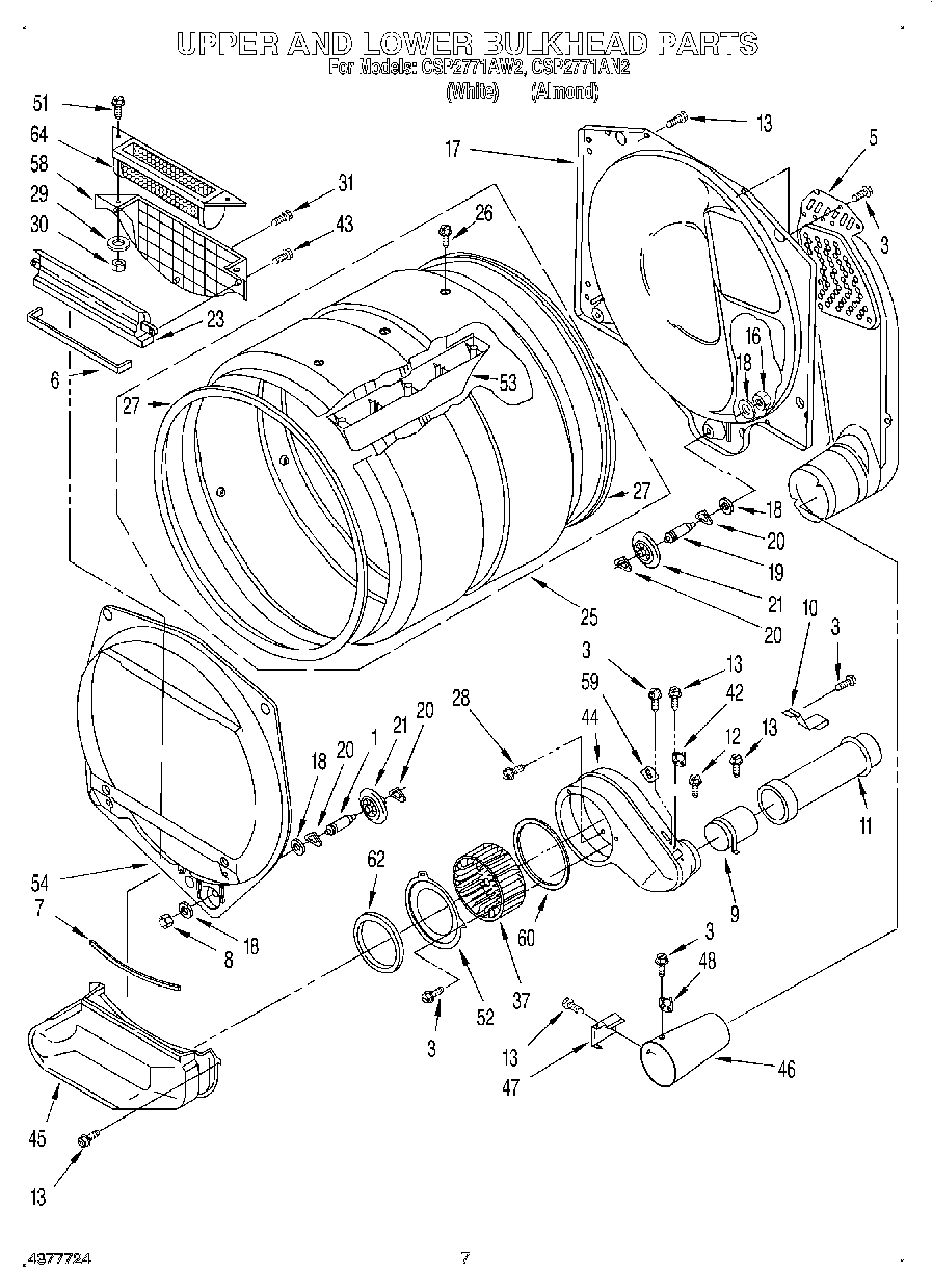
CSP2771AN2 06 – UPPER AND LOWER BULKHEAD, LITERATUREadmin2025-04-26T09:39:39+00:00CSP2771AN2 06 – UPPER AND LOWER BULKHEAD, LITERATURE ProductsPositionProduct350930 Whirlpool White Spray Paint350938 Whirlpool Spray Gun350956 Whirlpool Spray Assembly72017 Whirlpool Appliance Touch-Up Paint White799344 Whirlpool Refrigerator PaintWP72107 Whirlpool TouchupAlmond (Uncut)WPL LIT3395339WPL LIT34011331SHAFT3WPW10139210 Whirlpool Screw5Air Duct Assembly6WP697813 Whirlpool Seal8WP3359452 Whirlpool Nut9WP8563747 Whirlpool Exhaust Pipe10WP3395536 Whirlpool Clip Assembly11Extension, Exhaust Pipe12WP90767 Whirlpool Screw13WP488729 Whirlpool Refrigerator Door Screw16Nut, 3/8-16 (L.H.)17W11299300 Whirlpool Bulkhead Assembly18W11236646 Whirlpool Washer Assembly19SHAFT20WPW10512946 Whirlpool Dryer Tri-Ring Drum Roller21WPW10314173 Whirlpool Dryer Drum Support Wheel23Housing, Outlet25W10545924 Whirlpool Drum Assembly26Screw27280114 Whirlpool Dryer Drum Seal29Washer, No. 1030Nut, Hex37WP697772 Whirlpool Dryer Blower Wheel42WP3387138 Whirlpool Cycling Thermostat43WP3387230 Whirlpool Screw44WP8544363 Whirlpool Housing45Lint Duct Assembly46Funnel, Burner47WP338906 Whirlpool Dryer Gas Sensor48THRMST-FIX51WP179051 Whirlpool Screw52279780 Whirlpool Plate Cover53WPW10113136 Whirlpool Drum Baffle54WP697557 Whirlpool Bulkhead Assembly58Cover, Lint Screen59WP3390719 Whirlpool Dryer Thermal Fuse60WP697770 Whirlpool Blower Cover Plate Seal62WP8566209 Whirlpool Seal64Screen, Lint