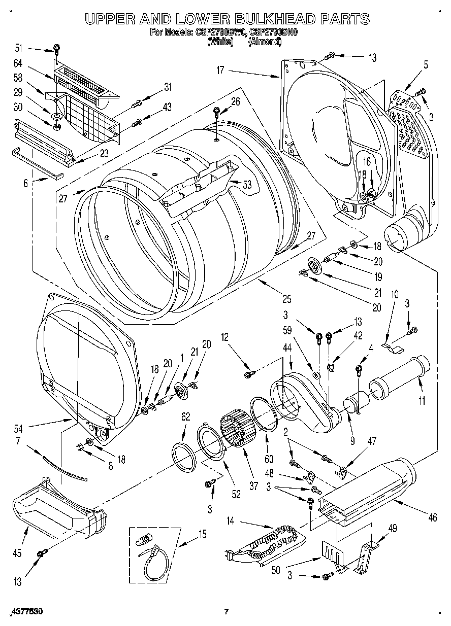
CSP2790BN0 04 – UPPER AND LOWER BULKHEADadmin2025-04-26T09:37:33+00:00CSP2790BN0 04 – UPPER AND LOWER BULKHEAD ProductsPositionProduct1SHAFT3WPW10139210 Whirlpool Screw4WP90767 Whirlpool Screw5WP3387911 Whirlpool Air Duct6WP697813 Whirlpool Seal8WP3359452 Whirlpool Nut9WP8563747 Whirlpool Exhaust Pipe10WP3395536 Whirlpool Clip Assembly11Extension, Exhaust Pipe13WP488729 Whirlpool Refrigerator Door Screw14W10864898 Whirlpool Dryer Heating Element15279457 Whirlpool Dryer Heating Element Wide Spade Connection16Nut, 3/8-16 (L.H.)17W11299300 Whirlpool Bulkhead Assembly18W11236646 Whirlpool Washer Assembly19SHAFT20WPW10512946 Whirlpool Dryer Tri-Ring Drum Roller21WPW10314173 Whirlpool Dryer Drum Support Wheel23Housing, Outlet25W10545924 Whirlpool Drum Assembly26Screw27280114 Whirlpool Dryer Drum Seal29Washer, No. 1030Nut, Hex37WP697772 Whirlpool Dryer Blower Wheel42WP3387138 Whirlpool Cycling Thermostat43WP3387230 Whirlpool Screw44WP8544363 Whirlpool Housing45Lint Duct Assembly46W10802681 Whirlpool Box Assembly47279973 Whirlpool Dryer Thermal Cut-Off and High Limit Thermostat Kit48THRMST-FIX49Bracket, Heater50Shield, Heat51WP179051 Whirlpool Screw52279780 Whirlpool Plate Cover53WPW10113136 Whirlpool Drum Baffle54WP697557 Whirlpool Bulkhead Assembly58Cover, Lint Screen59WP3390719 Whirlpool Dryer Thermal Fuse60WP697770 Whirlpool Blower Cover Plate Seal62WP8566209 Whirlpool Seal64Screen, Lint