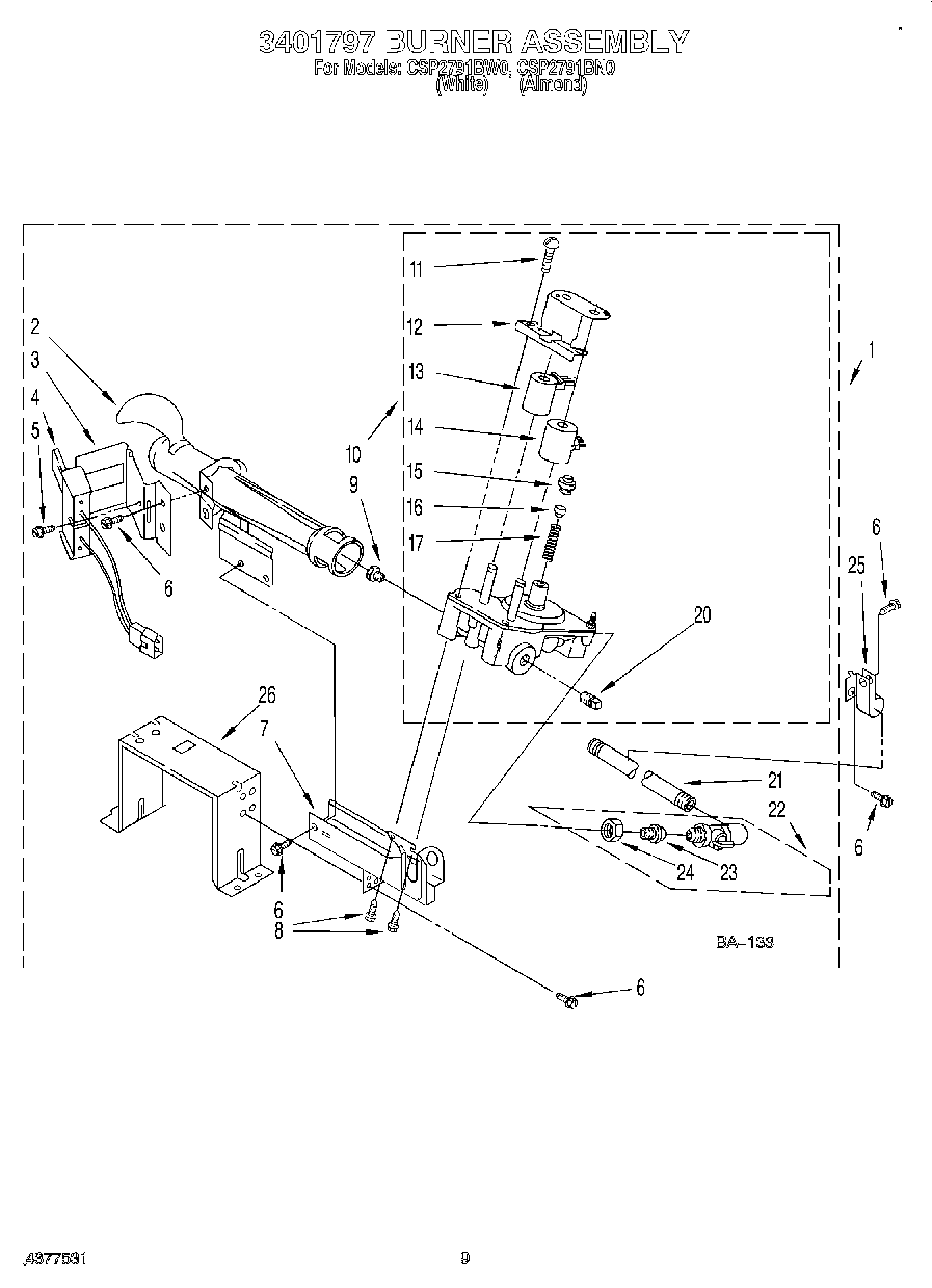
CSP2791BN0 05 – 3401797 BURNERadmin2025-04-26T09:37:53+00:00CSP2791BN0 05 – 3401797 BURNER ProductsPositionProduct1Burner Assembly 60 Hz. (Refer To Pages 8 & 9 For Further Breakdown)2WP693140 Whirlpool Burner3WP694298 Whirlpool Bracket4279311 Whirlpool Dryer Flat Igniter with Bracket5WPW10366705 Whirlpool Screw6SCREW7Base, Burner8WP693995 Whirlpool Screw9Orifice, Burner (Type 2)9Orifice, Burner (Type 1)10279923 Whirlpool Gas Valve11694421 Whirlpool Screw Assembly12694538 Whirlpool Bracket14279834 Whirlpool Dryer Gas Valve Solenoid Coil Kit15WP694424 Whirlpool Limiter16WP694423 Whirlpool Regulator17WP694422 Whirlpool Spring18WP3401850 Whirlpool Wire Harness19WPL 69451020W10295523 Whirlpool Plug21Pipe, Gas Supply22697441 Whirlpool Valve233393767 Whirlpool Pipe24Nut, Compression253387561 Whirlpool Clamp2649572A Whirlpool Dryer Propane Gas Conversion Kit26Bracket, Support