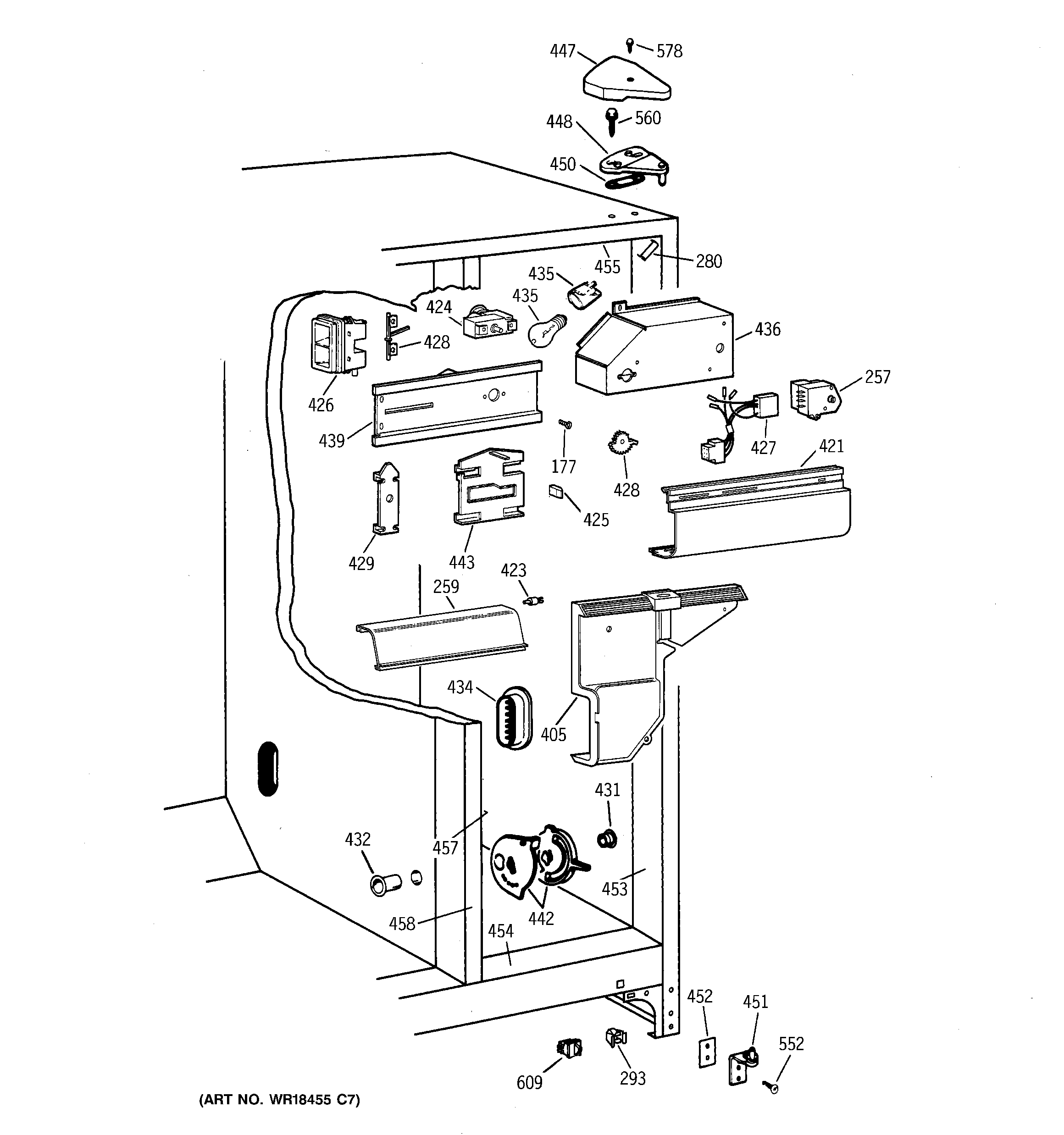
CST20KABCAD FRESH FOOD SECTION