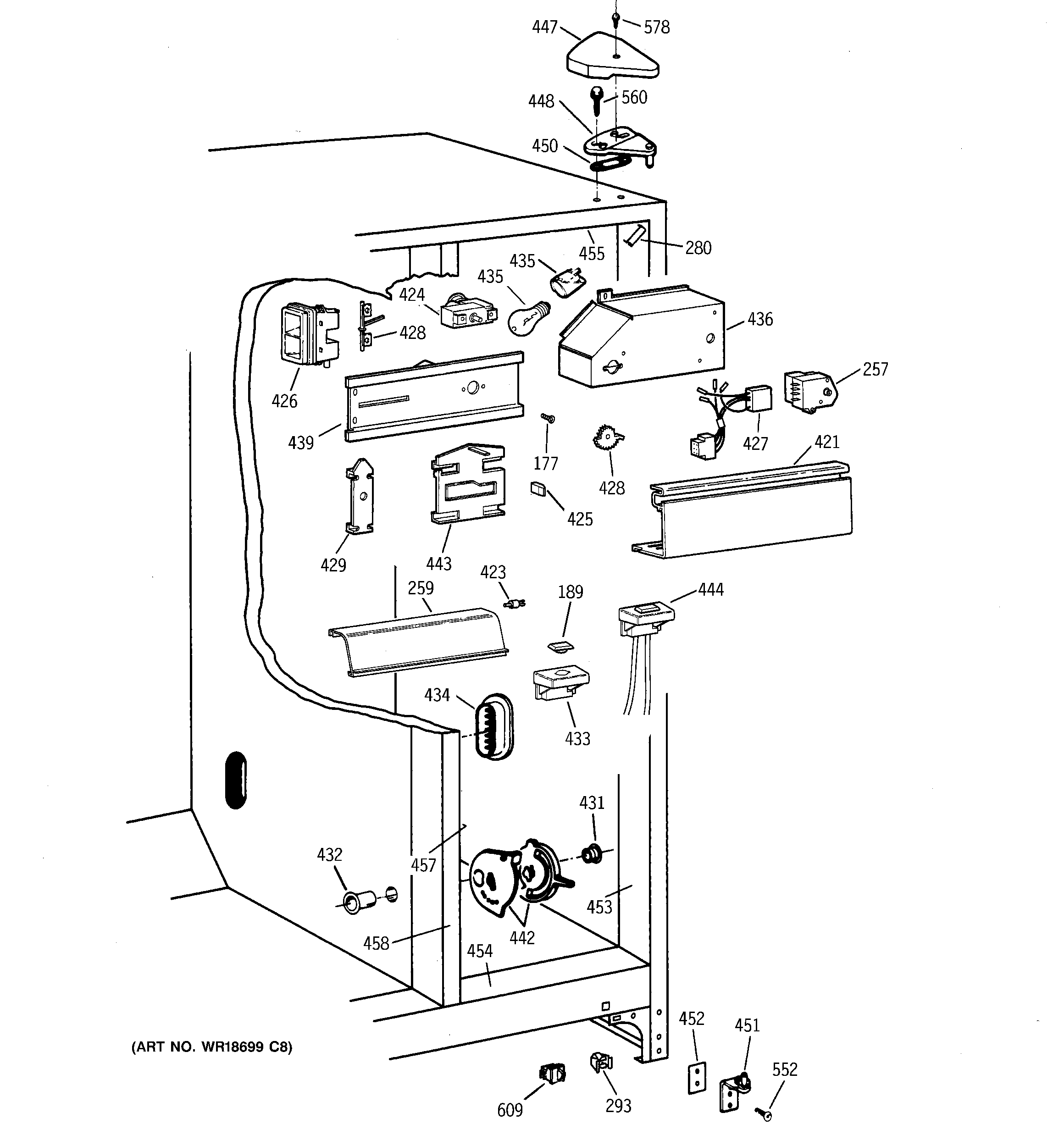
CST20KABKWH FRESH FOOD SECTION