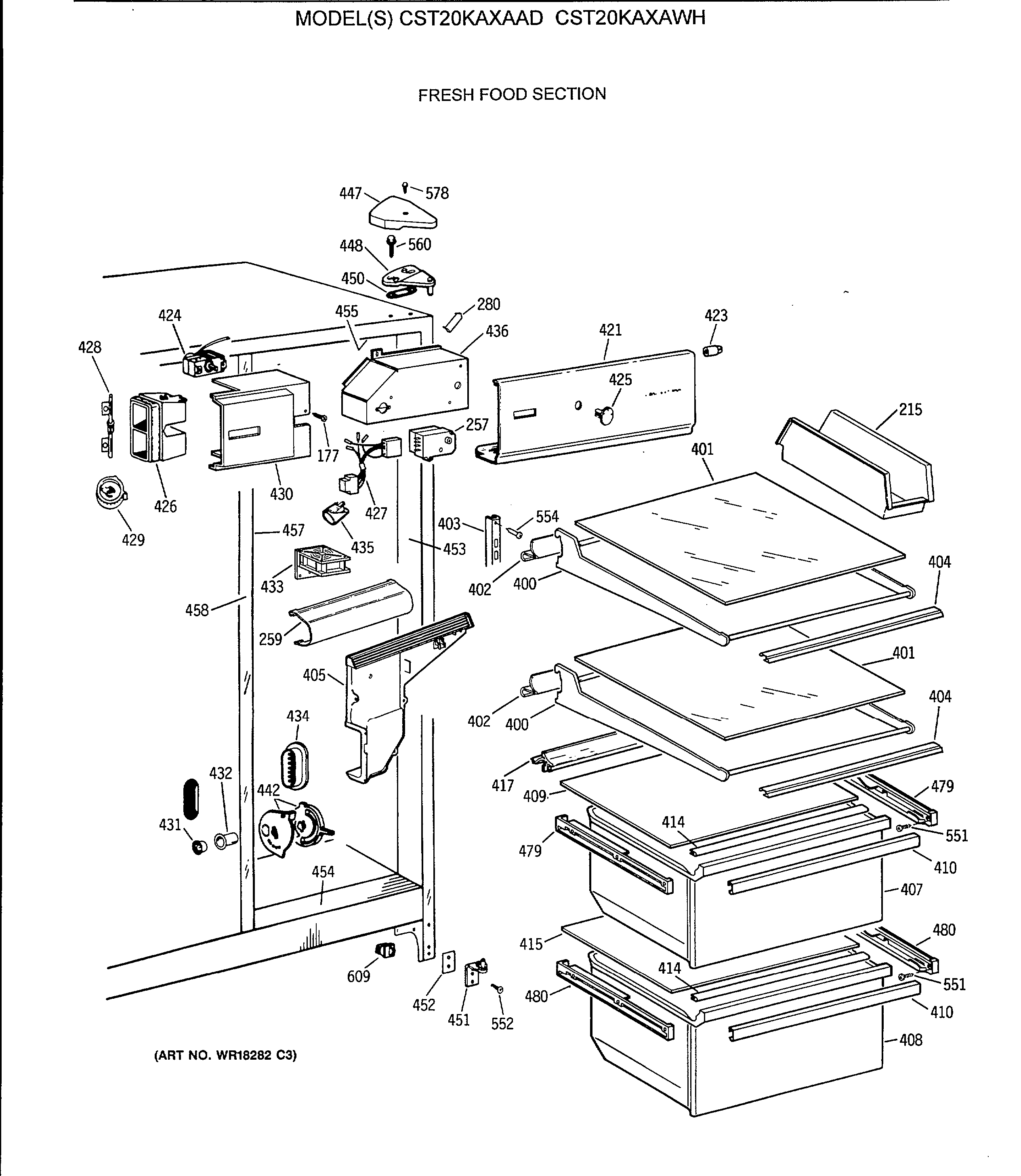
CST20KAXAWH FRESH FOOD SECTIONadmin2025-04-26T08:37:00+00:00CST20KAXAWH FRESH FOOD SECTION ProductsPositionProduct177SCREW215GEN WR32X0897257WR9X502 GE Refrigerator Defrost Timer259GEN WR17X4069280GEN WR02X8518400GEN WR71X2290401GEN WR32X1535402GEN WR38X2221403GEN WR72X0255404GEN WR38X2222405GEN WR14X0264405GEN WR17X1382407GEN WR32X1045408GEN WR32X1169409GEN WR32X1534410GEN WR17X4042414GEN WR14X0444415GEN WR32X1105417GEN WR02X8672421GEN WR17X4112423GEN WR02X6347424GEN WR09X0570425GEN WR02X9390426GEN WR02X8514426GEN WR02X8425427GEN WR23X0469428GEN WR02X4835429GEN WR02X9380430GEN WR17X2209431WR2X9299 GE Refrigerator Air Duct Cap Mullion432GEN WR02X8654433GEN WR60X0246435RANGE ONLY 40W 120V APPL BULB435WR2X9391 GE Socket and Terminal436GEN WR02X7736442GEN WR02X9430447GEN WR02X8262448GEN WR13X0743450GEN WR02X4194451WR13X10020 GE Refrigerator Door Hinge Assembly with Cam452GEN WR02X9442452SHIM HINGE BTM.452NUTSTRIP HINGE453GEN WR40X1757454GEN WR40X1758455GEN WR40X1759457GEN WR40X1748458GEN WR40X1749458GEN WR02X9376458GEN WR02X7033458GEN WR02X4739479WR72X207 GE Refrigerator Left Hand Slide Assembly479GEN WR72X0206480GEN WR72X0209480GEN WR72X0208551GEN WZ04X0244552GEN WR01X2078554WR01X10601 GE Refrigerator Screw 10-24 TT IHXW560GEN WR01X2140578WZ2X464D GE Screw609WR23X37285 GE Light Switch