CST26GRDAAA FRESH FOOD SECTION

CST26GRDAAA FRESH FOOD SECTION

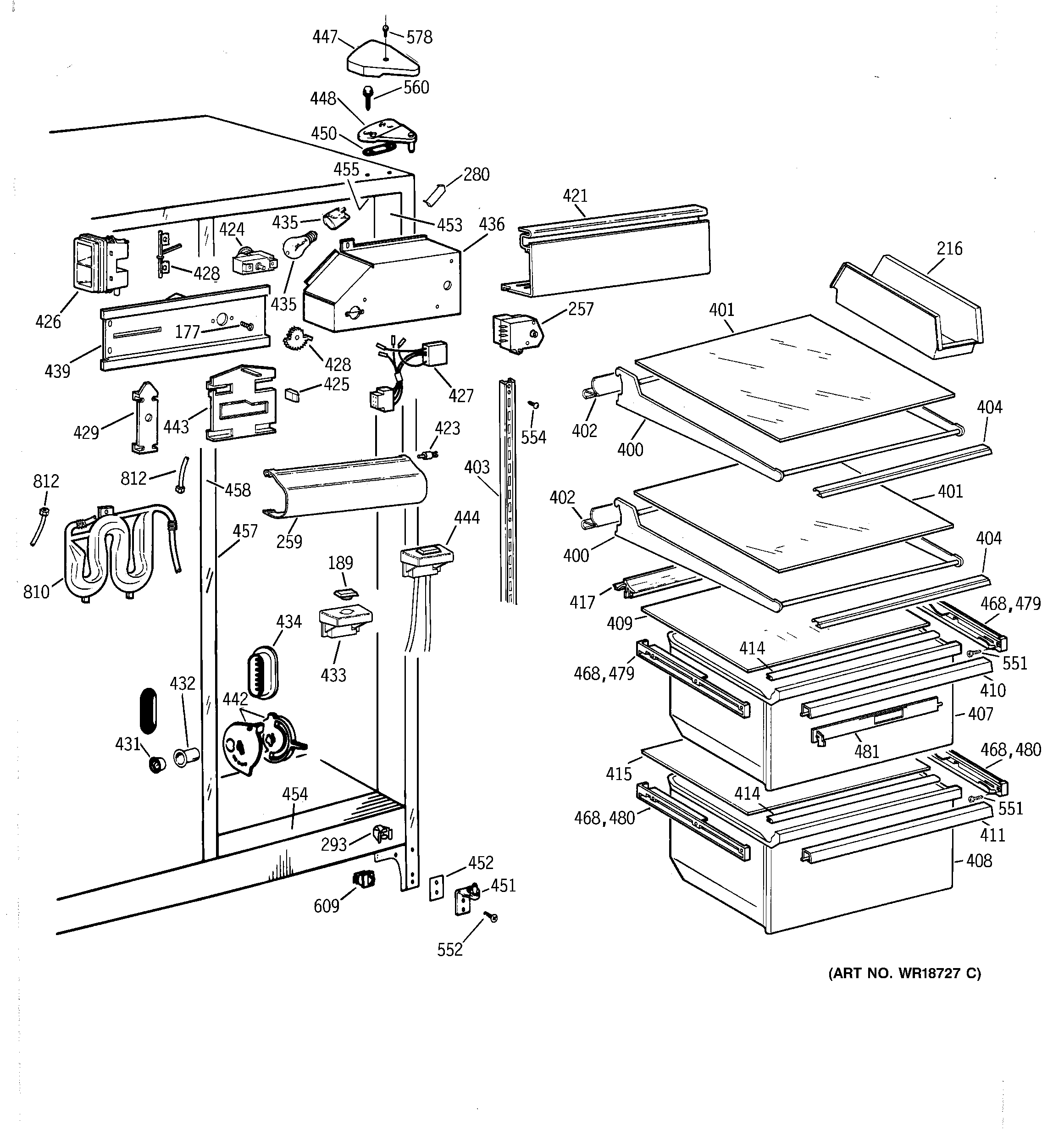
Products

PositionProduct
177SCREW
189GEN WR01X2115
216GEN WR32X1575
257DEFROST TIMER
259GEN WR17X3909
280GEN WR02X8519
293GEN WR02X7080
400GEN WR71X2292
401GEN WR32X1533
402GEN WR38X2214
403WR72X254 GE Refrigerator Side Track Assembly
404GEN WR38X2216
407WR32X1492 GE Refrigerator Vegetable Pan
408GEN WR32X1493
409GEN WR32X1530
410GEN WR17X4104
411GEN WR17X4105
414GEN WR14X0431
415GEN WR32X1473
417GEN WR17X10506
421GEN WR17X4124
423GEN WR02X6347
423GEN WR02X10050
424GEN WR09X0570
425GEN WR02X8398
426GEN WR02X8514
426GEN WR02X8425
427GEN WR23X0469
428GEN WR02X8513
428GEN WR02X9396
429HOLDER HEATER ELEMENT
431WR2X9299 GE Refrigerator Air Duct Cap Mullion
432GEN WR02X8654
433GEN WR02X9239
434GEN WR02X9431
435RANGE ONLY 40W 120V APPL BULB
435WR2X9391 GE Socket and Terminal
436GEN WR02X7736
439GEN WR17X2922
442GEN WR02X10042
443GEN WR02X8570
444GEN WR17X10550
447GEN WR02X8844
447GEN WR02X8843
448GEN WR13X10058
450GEN WR02X4194
451WR13X10020 GE Refrigerator Door Hinge Assembly with Cam
452GEN WR02X7011
452SHIM HINGE BTM.
453GEN WR40X1734
454GEN WR40X1735
455GEN WR40X1736
457GEN WR40X10029
458GEN WR02X9376
458GEN WR40X1740
458GEN WR02X10334
468WR1X2048 GE Refrigerator Slide Bearing
479WR72X239 GE Refrigerator Left Hand Slide Assembly
479WR72X240 GE Slide Assembly Right Hand
480WR72X252 GE Refrigerator Slide Assembly Left Hand
480GEN WR72X0253
481GEN WR01X2079
551GEN WZ04X0244
552WR01X10600 GE Refrigerator Screw 12-24 Tapping Hex .811 S Z
554WR01X10601 GE Refrigerator Screw 10-24 TT IHXW
560GEN WR01X2140
578WZ2X464D GE Screw
609WR23X37285 GE Light Switch
810GEN WR17X10507
812WR17X2891 GE Refrigerator 5/16" X 6FT Plastic Water Line Tubing