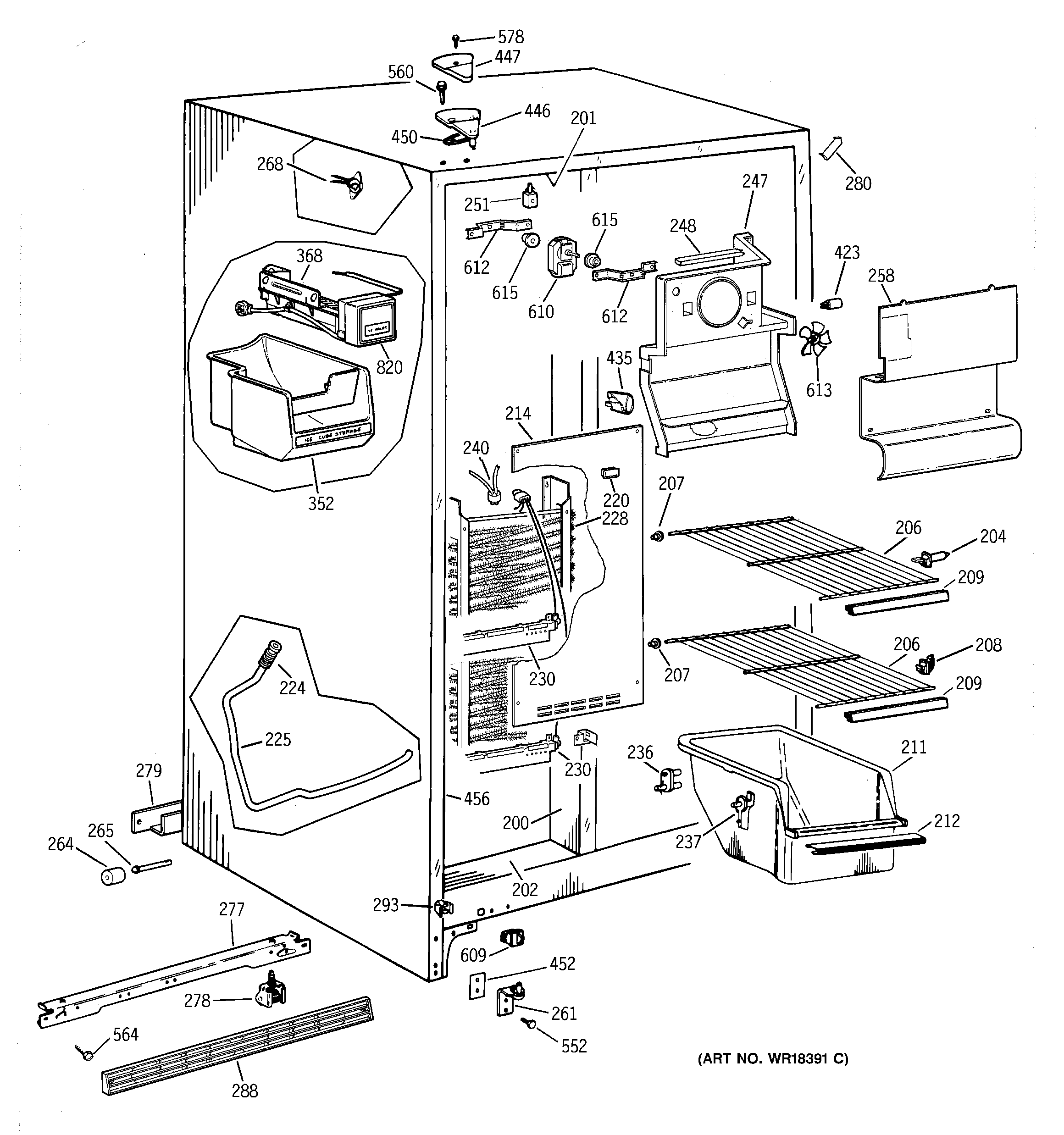
CSX20BIYFWH FREEZER SECTIONadmin2025-04-26T08:37:45+00:00CSX20BIYFWH FREEZER SECTION ProductsPositionProduct200GEN WR40X1741201GEN WR40X1742202GEN WR40X1743204GEN WR02X9217206GEN WR71X1888207GEN WR02X4676208GEN WR02X4674209GEN WR38X2217211GEN WR21X0188212GEN WR17X4036214GEN WR01X2128214GEN WR14X0455214GEN WR17X3919220GEN WR02X9002224GEN WR02X8657225GEN WR01X5042225GEN WR02X8293228WR87X28949 GE Refrigerator Evaporator230GEN WR02X8671230WR51X442 GE Refrigerator Defrost Heater Assembly236GEN WR02X4548237GEN WR02X7036240WR50X122 GE Refrigerator Defrost Bi-metal Thermostat247GEN WR17X3483247GEN WR02X4845248GEN WR14X0272251GEN WR02X2880258GEN WR17X3662261WR13X10020 GE Refrigerator Door Hinge Assembly with Cam264WR2X3594 GE Refrigerator Wheel265GEN WR02X3595265GEN WR02X3598265GEN WR02X4742268GEN WR23X0312277GEN WR17X3117278WHEEL ASM FRT279GEN WR17X3663280GEN WR02X8518288GEN WR74X0215293GEN WR02X7080352WR30X10154 GE Refrigerator Ice Bucket Assembly368GEN WR02X8459423GEN WR02X6347435WR2X9391 GE Socket and Terminal435RANGE ONLY 40W 120V APPL BULB446GEN WR13X0647447GEN WR02X8262450GEN WR02X4194452GEN WR02X9442456GEN WR40X1747552WR01X10600 GE Refrigerator Screw 12-24 Tapping Hex .811 S Z560GEN WR01X2140564GEN WR01X1194578WZ2X464D GE Screw609WR23X37285 GE Light Switch610GEN WR60X0188612GEN WR02X8549613WR60X114 GE Refrigerator Evaporator Motor Fan Blade615GEN WR02X7391820WR30X10093 GE Refrigerator Ice Maker