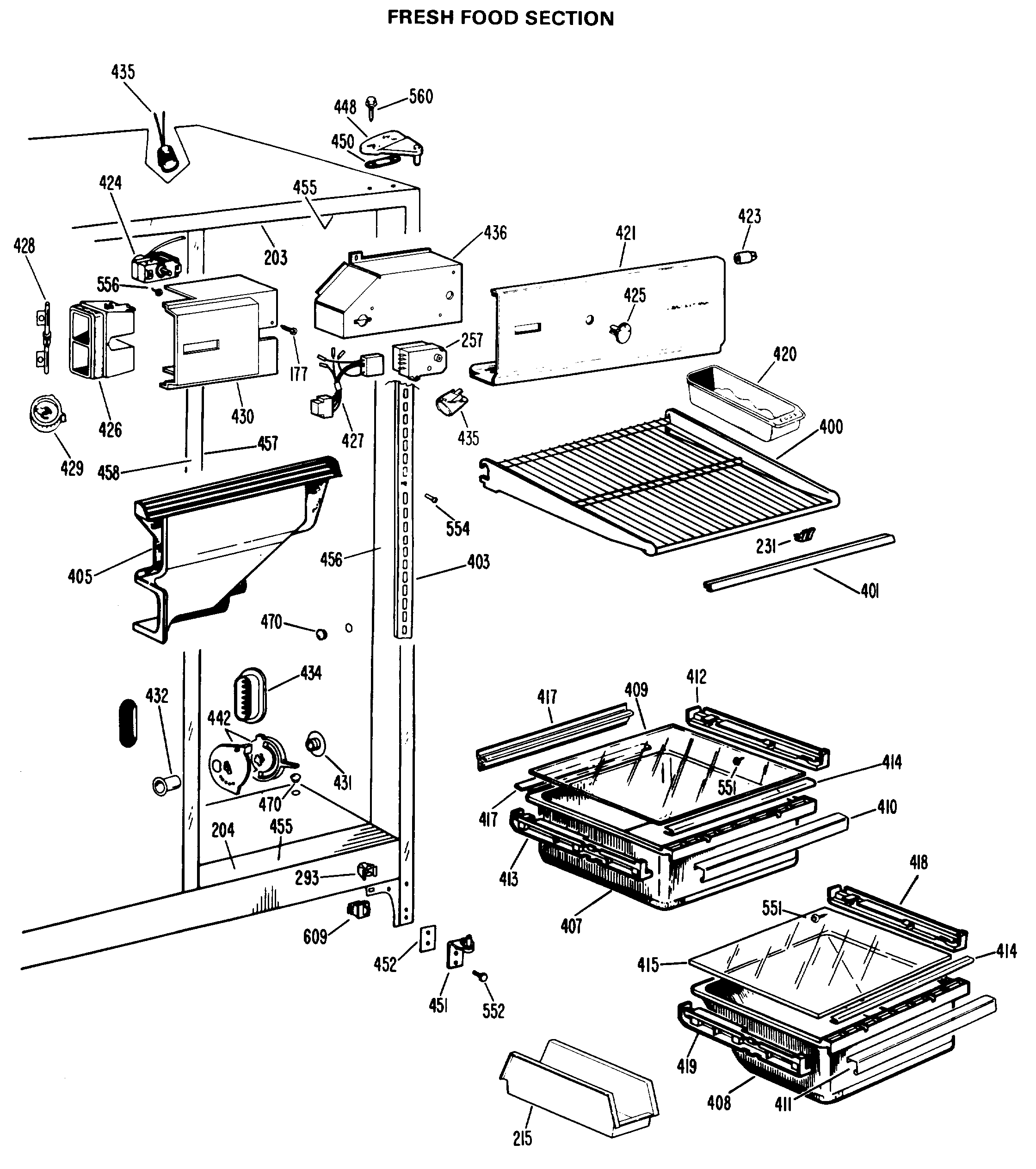
CSX20EKB FRESH FOOD SECTIONadmin2025-04-26T08:38:09+00:00CSX20EKB FRESH FOOD SECTION ProductsPositionProduct203RETNR BRKR-TOP FF & FZ204RETAINER BREAKER-BTM.215GEN WR32X0897230BRACKET DEF HTR231GEN WR02X5008257WR9X502 GE Refrigerator Defrost Timer293GEN WR02X7080400SHELF CANT WIRE ASM401GEN WR38X5146403GEN WR72X0089405GEN WR17X1382407GEN WR32X5322408GEN WR32X5323409GEN WR32X0654410GEN WR17X5960411GEN WR17X5961412SLIDE PAN413SLIDE PAN414GEN WR14X5111415COVER PAN417GEN WR14X5108418SLIDE PAN-R. SIDE419SLIDE PAN-L. SIDE420GEN WR14X5153421GEN WR17X6032423GEN WR02X6347423GEN WR02X6350424GEN WR09X0359425GEN WR02X7157426GEN WR02X3880426GASKET FOAM426GEN WR02X4834427GEN WR23X0316428GEN WR02X4835429GEN WR02X4836430GEN WR17X2209430CLIP-CONTROL HOUSING431CAP MULLION DUCT432GEN WR02X3886434GEN WR02X4542435RANGE ONLY 40W 120V APPL BULB435WR2X9391 GE Socket and Terminal436GEN WR02X7736442GEN WR02X7035448GEN WR13X0579450GEN WR02X4194451WR13X10020 GE Refrigerator Door Hinge Assembly with Cam452NUTSTRIP HINGE452GEN WR02X7011455BREAKER STRIP-TOP & BTM.456RETAINER BREAKER456RETAINER BREAKER456BREAKER STRIP-HINGE SIDE457BREAKER STRIP-FF MULLION458GEN WR40X1576458GEN WR02X4739458GEN WR02X7033458GEN WR02X7031551GEN WZ04X0244552SCR 12-24 TT HXW 1 3/64S554GEN WR01X1483556SCR 8-32 MA TR 1/4 SS560GEN WR01X1249609WR23X37285 GE Light Switch