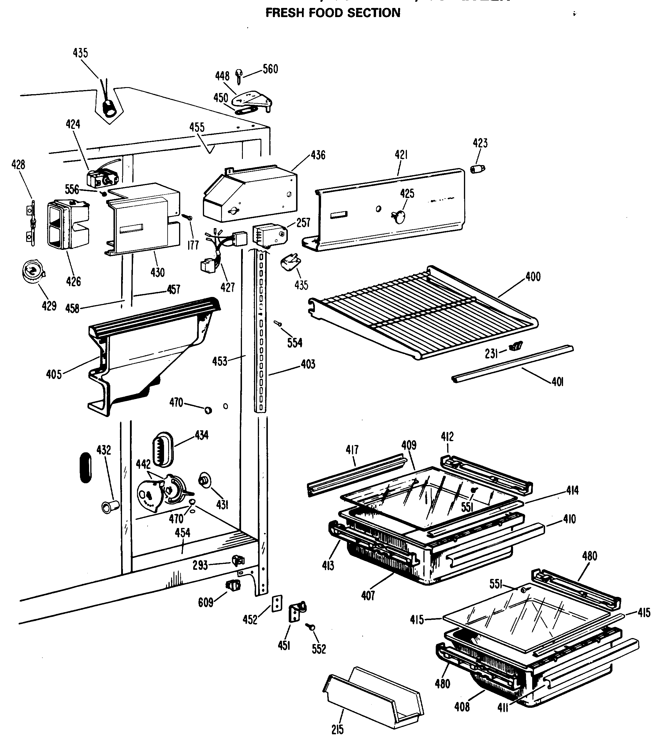
CSX20ELR FRESH FOOD SECTION